• Tik internetu
Vienos grandinės ratas 45 dantys 3 4 strypai
  • Vienos grandinės ratas 45 dantys 3 4 strypai
  • Vienos grandinės ratas 45 dantys 3 4 strypai
  • Vienos grandinės ratas 45 dantys 3 4 strypai

Vienos grandinės ratas 45 dantys 3 4 strypai

15013836872652
Kramp
127,64 €
Su mokesčiais
pristatymas per 5-9 darbo dienas
Kiekis

Aprašymas
Viena žvaigždutė 45 dantų 3/4 colių grandinė 12 B-1 Kramp

Dalies numeris: K. SE3445

EAN: 8716106986439

Vienetas: gabalas

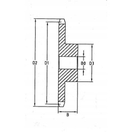
Techninė informacija:

Stebulės anga, raktas ir anga su sriegiu yra neprivalomi.

Rekomenduojama didžiausia skylė: D3 x 0,6

Tipas: viengubas

Grandinės dydis: 12 B-1

Dantų skaičius: 45

D1 Darbinis skersmuo: 273,1 mm

D2O.D.: 283,2 mm

Dantų plotis: 11,1 mm

Bplotis: 56 mm

Stebulės tipas: vienpusė stebulė

D3 Stebulės skersmuo: 110 mm

B0 Skylės skersmuo: 25 mm

Skylė: Taip

Medžiaga: Plienas C45

Prekė detaliau
Kramp
15013836872652
Nauja

Charakteristikos

Gamintojas
Kramp
Detalės numeris
K. SE3445

Specifinė nuoroda

MPN
K. SE3445