• Tik internetu
Vienos grandinės ratas 14 dantukų 5 8 strypai
  • Vienos grandinės ratas 14 dantukų 5 8 strypai
  • Vienos grandinės ratas 14 dantukų 5 8 strypai
  • Vienos grandinės ratas 14 dantukų 5 8 strypai

Vienos grandinės ratas 14 dantukų 5 8 strypai

15013833703982
Kramp
20,43 €
Su mokesčiais
pristatymas per 5-9 darbo dienas
Kiekis

Aprašymas
Viena žvaigždutė 14 dantų 5/8 colių grandinė 10 B-1 Kramp

Dalies numeris: K. SE5814

EAN:

Vienetas: gabalas

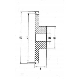
< p/> Techninė informacija:

Stebulės anga, raktas ir anga su sriegiu yra neprivalomi.

Rekomenduojama didžiausia anga: D3 x 0,6

Tiek grandinės tipui 10B1

Tipas: viengubas

Grandinės dydis: 10 B-1

Dantų skaičius: 14

D1 Darbinis skersmuo: 71,34 mm

D2Išorinis skersmuo: 78,2 mm

Dantų plotis: 9,1 mm

BPlotis: 30 mm

Stebulės tipas: Vienetinės stebulės šonai

< p/> D3 Stebulės skersmuo: 52 mm

B0 Skylės skersmuo: 12 mm

Skylė: Taip

Medžiaga: C45 plienas

Prekė detaliau
Kramp
15013833703982
Nauja

Charakteristikos

Gamintojas
Kramp
Detalės numeris
K.SE5814

Specifinė nuoroda

MPN
K.SE5814