1615283m1 pavaros kabelis
    • 1615283m1 pavaros kabelis
    • 1615283m1 pavaros kabelis

    1615283m1 pavaros kabelis

    15013345104731
    518,93 €
    Su mokesčiais
    pristatymas per 5-9 darbo dienas
    Kiekis

    Aprašymas
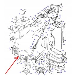
    1615283M1 Krumpliaračio transmisijos kabelis PRODUKTO APRAŠAS:

    Originalus pavaros kabelis su katalogo numeriu 1615283M1, naudojamas Massey Ferguson derliaus nuėmimo kombainuose.

    Dalies katalogo numeris: 1615283M1

    Kategorija : tilto pavarų dėžė

    Dalių gamintojas: Massey Ferguson

    Pakeitimai: Gąska 1615283M1

    Gamintojas: Massey Ferguson, Kita

    Tinka mašina:

    Kombainas >, Massey Ferguson >, 520

    Kombainas >, Massey Ferguson >, 525

    Kombainas >, Massey Ferguson >, 620

    Kombainas >, Massey Ferguson >, 625

    Prekė detaliau
    15013345104731
    Nauja

    Charakteristikos

    Gamintojas
    AGCO
    Detalės numeris
    1615283M1
    Produkto svoris su vienetine pakuote
    0.92 kg