3716994m2 metalinė rankovė
    • 3716994m2 metalinė rankovė
    • 3716994m2 metalinė rankovė

    3716994m2 metalinė rankovė

    15013236502595
    74,71 €
    Su mokesčiais
    pristatymas per 5-9 darbo dienas
    Kiekis

    Aprašymas
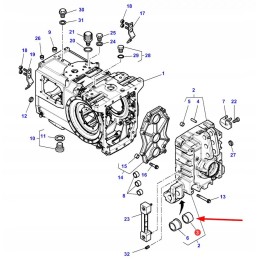
    3716994M2 Tuleja metalowa OPIS PRODUKUTU:

    Oryginalna tuleja metalowa o numerze 3716994M2, stosowana w ciągnikach rolniczych marki Massey Ferguson.

    Numer katalogowy części: 3716994M2

    Category: Most -skrzynia georoz

    Producent części: Massey Ferguson

    Zamienniki:

    Marka: Massey Ferguson,Inne

    Pasuje do maszyny:

    Ciągnik >, Massey Ferguson >, 6485

    Ciągnik >, Massey Ferguson >, 6490

    Ciągnik >, Massey Ferguson >, 6495

    Ciągnik >, Massey Ferguson >, 6497

    Ciągnik >, Massey Ferguson >, 6499

    Ciągnik >, Massey Ferguson >, 8170

    Ciągnik >, Massey Ferguson >, 8180

    Tractor >, Massey Ferguson >, 8210

    Tractor >, Massey Ferguson >, 8220

    Tractor >, Massey Ferguson >, 8240

    Ciągnik >, Massey Ferguson >, 8250

    Ciągnik >, Massey Ferguson >, 8260

    Ciągnik >, Massey Ferguson >, 8270

    Ciągnik >, Massey Ferguson >, 8280

    Ciągnik >, Massey Ferguson >, 8280 Xtra

    Prekė detaliau
    15013236502595
    Nauja

    Charakteristikos

    Gamintojas
    AGCO
    Detalės numeris
    3716994M2
    Produkto svoris su vienetine pakuote
    0.19 kg