• Tik internetu
Traukos poveržlė
  • Traukos poveržlė
  • Traukos poveržlė
  • Traukos poveržlė

Traukos poveržlė

15013832817127
Other (GLT/LHG)
6,05 €
Su mokesčiais
pristatymas per 5-9 darbo dienas
Kiekis

Aprašymas
Traukos poveržlė

Dalies numeris: K. TW122415PTFE

EAN: 4062011108256

Vienetas: gabalas

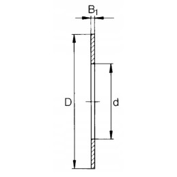
Vidinis skersmuo: 12 mm

< p/> Išorinis skersmuo: 24 mm

Storis: 1,5 mm

Maksimalus veleno / ritinėlio greitis: 2,5 m/s

OE nuorodos numeris: TFA 12/ 1

Dinaminė ašinė apkrova: 140N

Statinė ašinė apkrova: 250N

Darbinė temperatūra min.: -200°C

Darbinė temperatūra maks.: 280°C

Prekė detaliau
Other (GLT/LHG)
15013832817127
Nauja

Charakteristikos

Gamintojas
Other (GLT/LHG)
Detalės numeris
K.TW122415PTFE

Specifinė nuoroda

MPN
K.TW122415PTFE