Stoz mod 5 1 1 pavarų komplektas
    • Stoz mod 5 1 1 pavarų komplektas
    • Stoz mod 5 1 1 pavarų komplektas
    • Stoz mod 5 1 1 pavarų komplektas

    Stoz mod 5 1 1 pavarų komplektas

    15013837031165
    75,29 €
    Su mokesčiais
    pristatymas per 5-9 darbo dienas
    Kiekis

    Aprašymas
    Kūginių pavarų komplektas, mod.5-1:1

    Dalies numeris: K. MOD51616

    EAN:

    Vienetas: rinkinys

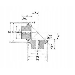
    < p/> Techninė informacija: ašinė anga ir griovelis yra neprivalomi

    DpIšorinis skersmuo: 80 mm

    Susideda iš: 2 kūginių krumpliaračių

    Dantų skaičius: 16

    LSveleno ilgis: 48,9 mm

    DSujungimo angos skersmuo: 20 mm

    Bendras plotis: 87 mm

    Stebulės plotis – vidinė pusė. : 20 mm

    dHub skersmuo: 60,36 mm

    Medžiaga: C45 plienas, nesugrūdintas

    Versija: 5W

    Prekė detaliau
    15013837031165
    Nauja

    Charakteristikos

    Gamintojas
    Kramp
    Detalės numeris
    K. MOD51616