• Tik internetu
Vienos grandinės ratas 28 dantys 3 4 strypai
  • Vienos grandinės ratas 28 dantys 3 4 strypai
  • Vienos grandinės ratas 28 dantys 3 4 strypai
  • Vienos grandinės ratas 28 dantys 3 4 strypai

Vienos grandinės ratas 28 dantys 3 4 strypai

15013836862806
Kramp
53,74 €
Su mokesčiais
pristatymas per 5-9 darbo dienas
Kiekis

Aprašymas
Vienas grandininis ratas 28 dantų 3/4' grandinė 12 B-1 Kramp

Dalies numeris: K.SE3428

EAN:

Vienetas: Art

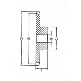
Techninė informacija:

Stebulės anga, rakto griovelis ir skylė su sriegiu yra neprivalomi.

Rekomenduojama didžiausia kiaurymė: D3 x 0,6

Tipas: Vienvietis

Grandinės dydis: 12B-1

Dantų skaičius: 28

D1 Darbinis skersmuo: 170.13mm

D2Išorinis skersmuo: 178.3mm

Dantų plotis: 11,1 mm BPlotis: 40mm

Stebulės tipas: vienpusė stebulė

D3 Stebulės skersmuo: 95mm

B0 Skylės skersmuo: 20mm

Atidarymas: Taip

Medžiaga: C45 plienas

Prekė detaliau
Kramp
15013836862806
Nauja

Charakteristikos

Gamintojas
Kramp
Detalės numeris
K. SE3428

Specifinė nuoroda

MPN
K. SE3428