• Tik internetu
Vienos grandinės ratas 35 dantys 5 8 pistoletai
  • Vienos grandinės ratas 35 dantys 5 8 pistoletai
  • Vienos grandinės ratas 35 dantys 5 8 pistoletai
  • Vienos grandinės ratas 35 dantys 5 8 pistoletai

Vienos grandinės ratas 35 dantys 5 8 pistoletai

15013833715489
Kramp
45,87 €
Su mokesčiais
pristatymas per 5-9 darbo dienas
Kiekis

Aprašymas
Vienas grandininis ratas 35 dantų 5/8' grandinė 10 B-1 Kramp

Dalies numeris: K.SE5835

EAN:

Vienetas: Art

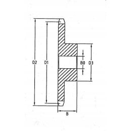
Techninė informacija:

Stebulės anga, raktas ir skylė su sriegiu yra neprivalomi.

Rekomenduojama maksimali anga: D3 x 0,6

Tiek grandinės tipui 10B1

Tipas: Vienvietis

Grandinės dydis: 10 B-1

Dantų skaičius: 35

D1 Darbinis skersmuo: 177.1mm

D2Išorinis skersmuo: 184mm

Dantų plotis: 9,1 mm Plotis: 35 mm

Stebulės tipas: vienpusė stebulė

D3 Stebulės skersmuo: 95mm

B0 Skylės skersmuo: 20mm

Atidarymas: Taip

Medžiaga: C45 plienas

Prekė detaliau
Kramp
15013833715489
Nauja

Charakteristikos

Gamintojas
Kramp
Detalės numeris
K.SE5835

Specifinė nuoroda

MPN
K.SE5835