Prikabinimo akis 2t 2500kg 110mm rokeris
    • Prikabinimo akis 2t 2500kg 110mm rokeris
    • Prikabinimo akis 2t 2500kg 110mm rokeris
    • Prikabinimo akis 2t 2500kg 110mm rokeris

    Prikabinimo akis 2t 2500kg 110mm rokeris

    15013553630063
    415,28 €
    Su mokesčiais
    pristatymas per 5-9 darbo dienas
    Kiekis

    Aprašymas
    Prikabinimo kilpa 2t 2500kg 110mm Rockinger ISO 24347 flanšas su 8 skylėmis

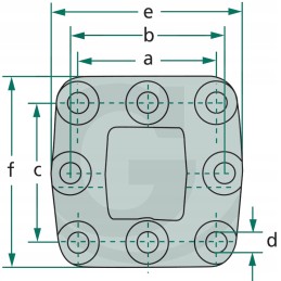
    Skylių apskritimas (mm): 110x100

    Flanšas: 8 skylių

    Keliamoji galia (kg ): 2500

    D-Wert vertė (kN): 89,3

    Atstumas tarp skylių (mm): 110x100

    f (mm): 154

    < p/> a (mm): 100

    b (mm): 110

    c (mm): 110

    e (mm): 154

    d (mm): 17

    Svoris: 12,93 kg

    Prekės numeris: 78759347

    Granit Parts yra pripažintas Vokietijos gamintojas ir platintojas. Jo pasiūloje yra originalių dalių ir aukštos kokybės pakaitalų daugeliui žemės ūkio ir techninių technikų markių. Granit Parts gaminiai pasižymi aukščiausia darbo kokybe ir prieinama kaina.

    Prekė detaliau
    15013553630063
    Nauja

    Charakteristikos

    Gamintojas
    Rockinger
    Detalės numeris
    78759347