• Tik internetu
Stabilizatoriaus kaištis 22x83 mm sriegis 3 4 vnt
  • Stabilizatoriaus kaištis 22x83 mm sriegis 3 4 vnt
  • Stabilizatoriaus kaištis 22x83 mm sriegis 3 4 vnt
  • Stabilizatoriaus kaištis 22x83 mm sriegis 3 4 vnt
  • Stabilizatoriaus kaištis 22x83 mm sriegis 3 4 vnt
  • Stabilizatoriaus kaištis 22x83 mm sriegis 3 4 vnt

Stabilizatoriaus kaištis 22x83 mm sriegis 3 4 vnt

15013833015709
Kramp
12,27 €
Su mokesčiais
pristatymas per 5-9 darbo dienas
Kiekis

Aprašymas
Stabilizatoriaus kaištis 22x83 mm sriegis: 3/4' UNFx42 mm Kramp

Dalies numeris: K. Z722045KR

EAN: 8716106069217

Vienetas: gabalas

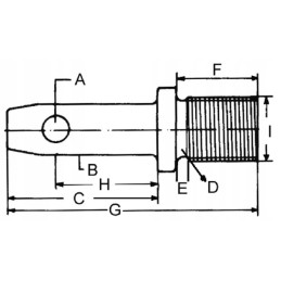
< p/> Taikymas: stabilizatoriams

Savybės: cinkuotas

BKiškio išorinis skersmuo: 22 mm

GBendras kaiščio ilgis: 83 mm

Cilgis: 32 mm

DGalvos skersmuo: 19 mm

HO angos atstumas nuo galvutės: 17,5 mm

A Skylės skersmuo: 12 mm

Sriegio tipas: UNF < p>

ITsriegio skersmuo: 3/4 colio

FSriegio ilgis: 42 mm

Produktas tinka mašinoms:

Massey Ferguson Series 155–168 165 , 168 165, 168 165

Prekė detaliau
Kramp
15013833015709
Nauja

Charakteristikos

Gamintojas
Kramp
Detalės numeris
KRZ722045KR
Originalus Detalės numeris
Z722045KR
Atsarginių dalių numeriai
Z722045KR

Specifinė nuoroda

MPN
KRZ722045KR