• Tik internetu
Sustiprintas apatinis jungties rutulys kablio skersmuo 28 7mm
  • Sustiprintas apatinis jungties rutulys kablio skersmuo 28 7mm
  • Sustiprintas apatinis jungties rutulys kablio skersmuo 28 7mm

Sustiprintas apatinis jungties rutulys kablio skersmuo 28 7mm

15013116189937
Other (SM)
14,15 €
Su mokesčiais
pristatymas per 5-9 darbo dienas
Kiekis

Aprašymas
Sustiprintas apatinės jungties rutulinis CAT. 2 Apatinės jungties kablio Fi 28,7 mm SKRAW-MET KODAS: [2358] Daugiausia naudojamas centrinėms jungtims, naudojamoms traktoriuose, kurių didžiausia galia 120 AG, pavyzdžiui:

C-360

C- 385

ZETORA 1224

ir dariniai

Traktoriuje vietoj centrinio varžto montuojama hidraulinė jungtis. Tai leidžia pakelti ir nuleisti žemės ūkio mašinas naudojant hidraulinę sistemą neišlipant iš kabinos.

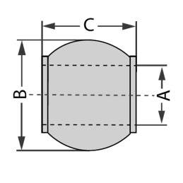
Techninės specifikacijos: vidinis skersmuo (A) – 28,7 mm

rutulio skersmuo (B) – 52 mm < p>

bendras aukštis (C) – 45 mm

Rutulas su viršutinėmis jungtimis, cinkuotas ir grūdintas

Prekė detaliau
Other (SM)
15013116189937
Nauja

Charakteristikos

Gamintojas
Other (SM)
Detalės numeris
2358.FI.52MM387

Specifinė nuoroda

MPN
2358.FI.52MM387