• Tik internetu
Pereinamoji rankovė
  • Pereinamoji rankovė
  • Pereinamoji rankovė
  • Pereinamoji rankovė
  • Pereinamoji rankovė
  • Pereinamoji rankovė

Pereinamoji rankovė

15013833338498
Vapormatic
33,32 €
Su mokesčiais
pristatymas per 5-9 darbo dienas
Kiekis

Aprašymas
Pereinamoji rankovė

Dalies numeris: K. VLK3211

EAN: 5035776018497

Vienetas: Pakuotė

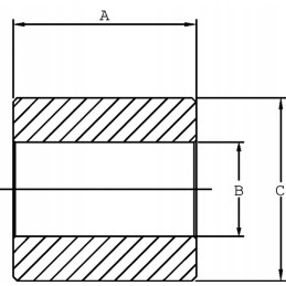
Išorinis skersmuo: 25,5 mm

BVidinis skersmuo: 19,3 mm

A ilgis: 51mm

Kategorija:

2

1

Kiekis pakuotėje: 10 vnt.

Prekė tinka mašinoms:

„Ford“ serija 2110 – 4610 2810, 4610 2810, 4610 2810, 4610 2910, 4610 2910, 4610 2910, 4610 3910, 4610 4610, 4610 4610

2150 – 3055 3055, 3055 3055, 3055 3055 serijos

Serija 3000 3900

Serija 3030 – 6630 3230, 6630 3230, 6630 3230, 6630 3430, 6630 3430, 6630 3430, 6630 3930, 6630 3930, 6630 3930, 6630 4130, 6630 630 630 630 0 5030

4000 4000, 4100, 4600 serijos

Serija 4340 – 8340 5640, 8340 6640, 8340 7740, 8340 7840, 8340 8240, 8340 8340, 8340 6640, 8340 6640, 8340 7740, 8340 7340 8 48 840 0 8240, 8340 8340, 8340 8340

5000 5000, 5600, 5700, 5900, 5900 serijos

Serija 5110 – 8210 5110, 8210 5610, 8210 6410, 8210 6610, 8210 6710, 8210 7610, 8210 7710, 8210 7710, 8210 6410, 8210 6210 68 81 810 0 7610, 8210 7710

6000 6600, 6700, 6600, 6700 serijos

7000 7000, 7600, 7700, 7000, 7600, 7700 serijos

Serija Dexta / Major Major, Power Major, Super Major

New Holland serija 30 3930

40 5640, 6640, 7740, 7840, 8240, 8340, 6640, 7740, 7840, 8240, 8240, 8340, 8340 serijos

Prekė detaliau
Vapormatic
15013833338498
Nauja

Charakteristikos

Gamintojas
Vapormatic
Detalės numeris
VLK3211

Specifinė nuoroda

MPN
VLK3211