Smeigtuko galas 393 kr
    • Smeigtuko galas 393 kr
    • Smeigtuko galas 393 kr

    Smeigtuko galas 393 kr

    15013126145989
    71,08 €
    Su mokesčiais
    pristatymas per 5-9 darbo dienas
    Kiekis

    Aprašymas
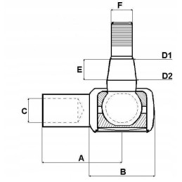
    Grąžulo galo parametrai

    Dalies numeris: SHP393KR

    Mažai: gabalas

    Gamintojas: Kramp

    EAN: 5700038761458

    Darbinis ilgis [A]: 80 mm

    Galvos plotis [B]: 62 mm

    Įrengimo skersmuo min. [D1]: 23,4 mm

    Didžiausias sėdynės skersmuo. [D2]: 26,4 mm

    Kūgio ilgis [E]: 29,5 mm

    Bendras ilgis: 80 mm

    Sriegio skersmuo – trumpoji pusė [ F]: M20

    Sriegio žingsnis – trumpoji pusė [F]: 1,5 mm

    Sriegio ilgis – trumpoji pusė: 30 mm

    Sriegio tipas – trumpoji pusė [F]: metrinė

    Sriegio skersmuo – strypo pusė [C]: M20

    Sriegio žingsnis – strypo pusė [C]: 1,5 mm

    Sriegio tipas – strypo pusė [C] : metrinė

    Sriegio kryptis – strypo pusė [C]: dešinė

    Prekė detaliau
    15013126145989
    Nauja

    Charakteristikos

    Gamintojas
    Kramp
    Detalės numeris
    SHP393KR
    Originalus Detalės numeris
    SHP393KR
    Atsarginių dalių numeriai
    SHP393KR