• Tik internetu
Viršutinės jungties kaištis 25x175 mm
  • Viršutinės jungties kaištis 25x175 mm
  • Viršutinės jungties kaištis 25x175 mm
  • Viršutinės jungties kaištis 25x175 mm
  • Viršutinės jungties kaištis 25x175 mm

Viršutinės jungties kaištis 25x175 mm

15013876276021
Gopart
23,37 €
Su mokesčiais
pristatymas per 5-9 darbo dienas
Kiekis

Aprašymas
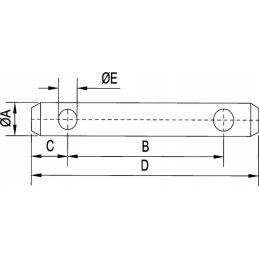
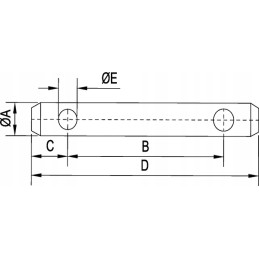
Viršutinės jungties kaištis 25x175 mm gopart

Dalies numeris: K. Z325175GP

EAN: 8716106139934

Vienetas: gabalas

Taikymas: pvz. kėlimo svirties traktoriuje

APin išorinis skersmuo: 25mm

Kategorija: 2

DBendras kaiščio ilgis: 175mm

Ilgis: 125mm

Angos atstumas nuo galvos: 22 mm

Skylės atstumas: 125 mm

Skylės skersmuo: 15 mm

Prekė detaliau
Gopart
15013876276021
Nauja

Charakteristikos

Gamintojas
Gopart
Detalės numeris
K. Z325175GP

Specifinė nuoroda

MPN
K. Z325175GP