• Tik internetu
Viršutinės jungties kaištis 19x254 mm
  • Viršutinės jungties kaištis 19x254 mm
  • Viršutinės jungties kaištis 19x254 mm
  • Viršutinės jungties kaištis 19x254 mm
  • Viršutinės jungties kaištis 19x254 mm

Viršutinės jungties kaištis 19x254 mm

15013876275354
Gopart
19,06 €
Su mokesčiais
pristatymas per 5-9 darbo dienas
Kiekis

Aprašymas
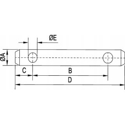
Viršutinės jungties kaištis 19x254 mm gopart

Dalies numeris: K. Z319254GP

EAN: 8716106142408

Vienetas: gabalas

Taikymas: pvz. kėlimo svirties traktoriuje

APin išorinis skersmuo: 19mm

Kategorija: 1

DBendras kaiščio ilgis: 254mm

Ilgis: 254mm

Angos atstumas nuo galvos: 22 mm

Skylės atstumas: 210 mm

Skylės skersmuo: 12 mm

Prekė detaliau
Gopart
15013876275354
Nauja

Charakteristikos

Gamintojas
Gopart
Detalės numeris
Z319254GP
Originalus Detalės numeris
Z319254GP
Atsarginių dalių numeriai
Z319254GP

Specifinė nuoroda

MPN
Z319254GP