• Tik internetu
Sumažinimo rankovė 22 6 28 7mm l 44 juoda li
  • Sumažinimo rankovė 22 6 28 7mm l 44 juoda li
  • Sumažinimo rankovė 22 6 28 7mm l 44 juoda li

Sumažinimo rankovė 22 6 28 7mm l 44 juoda li

15013120951457
Kramp
11,69 €
Su mokesčiais
pristatymas per 5-9 darbo dienas
Kiekis

Aprašymas
Sumažinanti įvorė, 22,6–28,7 mm L-44 „Juoda linija“ Parametrai

Dalies numeris: Z922128KR

Vieta: gabalas

Gamintojas: Kramp

< p/>EAN: 8716106067329

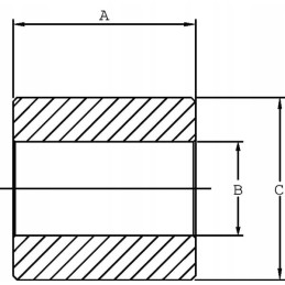
Išorinis skersmuo [C]: 28,7 mm

Vidinis skersmuo [B]: 22,6 mm

Ilgis [A]: 44 mm

Kategorija: 2/1

Taikymas

– Žemesniam nuoroda

Savybės

- Be skylės

- Cinkuota

Kategorija

- 2

- 1

Prekė detaliau
Kramp
15013120951457
Nauja

Charakteristikos

Gamintojas
Kramp
Detalės numeris
Z922128KR
Originalus Detalės numeris
Z922128KR
Atsarginių dalių numeriai
Z922128KR

Specifinė nuoroda

MPN
Z922128KR