• Tik internetu
Viršutinės jungties kaištis 25 mm 32 mm cat 2 3
  • Viršutinės jungties kaištis 25 mm 32 mm cat 2 3
  • Viršutinės jungties kaištis 25 mm 32 mm cat 2 3

Viršutinės jungties kaištis 25 mm 32 mm cat 2 3

15010586596299
Other (replacement)
26,43 €
Su mokesčiais
pristatymas per 5-9 darbo dienas
Kiekis

Aprašymas
Vardas:

Viršutinis jungties kaištis 25 mm 32 mm kat.2/3

Aprašymas:

Dalies numeris

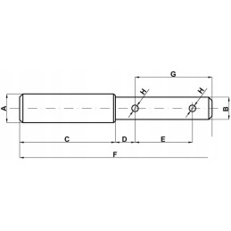
EAN 8716106071074 Vienetas Pritaikymas Pvz., viršutinė trauklė - traktorius Savybės Cinkuotas kaiščio išorinis skersmuo

25 mm

32 mm

Kategorija

2

3

FBendras kaiščio ilgis 178 mm Cilgis 83 mm BGalvos skersmuo 25,4 mm DAtstumas nuo skylės iki galvos 22 mm GHatstumas nuo angos iki galo 73 mm EHatstumas tarp skylių 56 mm HSkylės skersmuo 6 mm APits 32 mm skylės skersmuo

Gamintojas: pakeitimas

Prekė detaliau
Other (replacement)
15010586596299
Nauja

Charakteristikos

Gamintojas
Other (replacement)
Detalės numeris
KZ332178KR1

Specifinė nuoroda

MPN
KZ332178KR1