• Tik internetu
Z722076 stabilizatoriaus kaištis 22x111mm sriegis 5 8
  • Z722076 stabilizatoriaus kaištis 22x111mm sriegis 5 8
  • Z722076 stabilizatoriaus kaištis 22x111mm sriegis 5 8

Z722076 stabilizatoriaus kaištis 22x111mm sriegis 5 8

15012485539510
Kramp
29,50 €
Su mokesčiais
pristatymas per 5-9 darbo dienas
Kiekis

Aprašymas
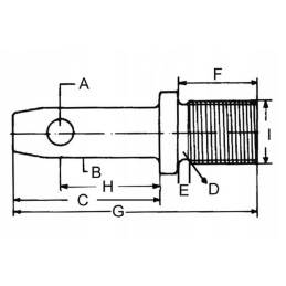
Z722076 Stabilizatoriaus kaištis 22x111 mm sriegis: 5/8' UNFx76 mm Kramp PRODUKTO APRAŠYMAS:

Stabilizatoriaus kaištis 22x111 mm sriegis: 5/8'' UNFx76 mm Kramp

Savybės: Cinkuotas

Siūlo tipas: UNF

Skylės skersmuo: 12 mm F sriegio ilgis: 76 mm

Naudojimas: stabilizatoriams GBendras kaiščio ilgis: 111 mm

EAN: 8716106048724

B Kaiščio išorinis skersmuo: 22 mm Dalies numeris: Z722076

H Skylės atstumas nuo galvos: 11 mm I sriegio skersmuo: 5/8 colio

Dalių katalogo numeris: Z722076

Kategorija: galinė trauklė-kablis

Dalies gamintojas: Kramp

Pakaitalai:

Prekinis ženklas: Other

Tinka mašinai:

Prekė detaliau
Kramp
15012485539510
Nauja

Charakteristikos

Gamintojas
Kramp
Detalės numeris
Z722076

Specifinė nuoroda

MPN
Z722076