• Tik internetu
Cat krautuvo kaušo tvirtinimo kaištis
  • Cat krautuvo kaušo tvirtinimo kaištis
  • Cat krautuvo kaušo tvirtinimo kaištis
  • Cat krautuvo kaušo tvirtinimo kaištis

Cat krautuvo kaušo tvirtinimo kaištis

1509281786207
80,63 €
Su mokesčiais
pristatymas per 5-9 darbo dienas
Kiekis

Aprašymas
Cogito Zabrze siūlo: KATŲ KRAUTUVO KAUŠO MONTAVIMO KAIŠTIS

Prekės aprašymas:

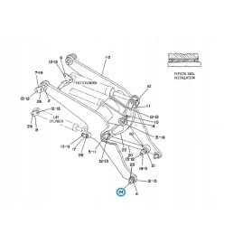
Kaištis, jungiantis ranką su kaušu Caterpillar krautuvėlyje.

Matmenys:

skersmuo: 64 mm

ilgis: 260 mm

64x260

Papildoma informacija:

lakšto aukštis: 10,33 mm

svoris: 7 kg

Mašinų modeliai:

950G, 950H, 962G, 962H

Palyginimo numeris: 5V1511 K

Prekė detaliau
1509281786207
Nauja

Charakteristikos

Gamintojas
Other
Detalės numeris
5V1511
Originalus Detalės numeris
5V1511
Mašinos tipas
Įkroviklis
Mašinos prekės ženklas
Caterpillar
Atsarginių detalių numeriai
5V1511

Specifinė nuoroda

MPN
5V1511