• Tik internetu
Liebherr ratinio ekskavatoriaus cva vairo stovas
  • Liebherr ratinio ekskavatoriaus cva vairo stovas
  • Liebherr ratinio ekskavatoriaus cva vairo stovas
  • Liebherr ratinio ekskavatoriaus cva vairo stovas
  • Liebherr ratinio ekskavatoriaus cva vairo stovas

Liebherr ratinio ekskavatoriaus cva vairo stovas

15010599942293
185,15 €
Su mokesčiais
pristatymas per 5-9 darbo dienas
Kiekis

Aprašymas
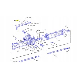
RAŠTIS CAT RATAIS EKSKAVATORIUS CVA✅Produkto aprašymas:

Šaliniai strypai yra svarbus pakabos elementas. Jie turi įtakos ratų judėjimui

Siūloma vairo trauklė montuojama į LIEBHERR mašinas su ZF ašimis

Gamintojas: CVA !

Matmenys:

strypo ilgis 485 mm

strypo ilgis 305 mm

sriegio skersmuo 24 mm

sriegio skersmuo 27 mm

Prekė detaliau
15010599942293
Nauja

Charakteristikos

Gamintojas
CVA
Detalės numeris
7027749
Originalus Detalės numeris
7027749
Mašinos tipas
Ekskavatorius
Mašinos prekės ženklas
Liebherr

Specifinė nuoroda

MPN
7027749