• Tik internetu
Paskirstymo dangtelio tarpinė jcb 3cx originali
  • Paskirstymo dangtelio tarpinė jcb 3cx originali
  • Paskirstymo dangtelio tarpinė jcb 3cx originali

Paskirstymo dangtelio tarpinė jcb 3cx originali

1509342331717
14,93 €
Su mokesčiais
pristatymas per 5-9 darbo dienas
Kiekis

Aprašymas
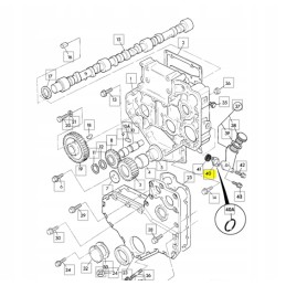
Cogito Zabrze siūlo: DARBINIO DANGČIO TARPIKLIS JCB BACKHOE LOADER 3CX ORIGINALUS

Prekės aprašymas:

JCB statybinėse mašinose naudojama paskirstymo dangtelio tarpinė

Gamintojas: JCB!

Originalus produktas!

Mašinų modeliai: 2CX, 3CX, 535-95 ir kt.

Nuorodos numeris: 02/201255 G

Prekė detaliau
1509342331717
Nauja

Charakteristikos

Detalės numeris
02/201255 G
Originalus Detalės numeris
02/201255 G

Specifinė nuoroda

MPN
02/201255 G