• Tik internetu
Purkštuvų sandariklis Volvo krautuvui, ekskavatoriui
  • Purkštuvų sandariklis Volvo krautuvui, ekskavatoriui
  • Purkštuvų sandariklis Volvo krautuvui, ekskavatoriui

Purkštuvų sandariklis Volvo krautuvui, ekskavatoriui

15011281085330
5,76 €
Su mokesčiais
pristatymas per 5-9 darbo dienas
Kiekis

Aprašymas
Cogito Zabrze siūlo: SPRINKLER SEAL VOLVO KRAUTUVO EKSKAVATORIUS

Prekės aprašymas:

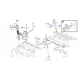
Kuro įpurškimo sandariklis naudojamas VOLVO statybinėse mašinose.

Aukštos kokybės pakeitimas

Tinka modeliams:

EC160C, EC170D, EC200B, EC210B, EC210C, EC240B, EC250D, EC250D, EC290B, EC300D, EW230C, L70F, L105, L90F, L105, L105,

Nuorodos numeris: V20799064

Prekė detaliau
15011281085330
Nauja

Charakteristikos

Detalės numeris
20799064
Originalus Detalės numeris
20799064

Specifinė nuoroda

MPN
20799064