• Tik internetu
Yanmar SV60 ir SV100 1a laido laikiklis
  • Yanmar SV60 ir SV100 1a laido laikiklis
  • Yanmar SV60 ir SV100 1a laido laikiklis
  • Yanmar SV60 ir SV100 1a laido laikiklis
  • Yanmar SV60 ir SV100 1a laido laikiklis
  • Yanmar SV60 ir SV100 1a laido laikiklis

Yanmar SV60 ir SV100 1a laido laikiklis

15014067356121
16,20 €
Su mokesčiais
pristatymas per 5-9 darbo dienas
Kiekis

Aprašymas
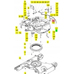
Originalus kabelio laikiklis

YANMAR SV60-A-SV100-1A, VIO25-6-VIO80U

yra:

- Kabelio laikiklis

gamyklinė nauja detalė - originali iš mašinos gamintojo

Siūloma prekė parodyta nuotraukoje

Jei reikia pagalbos renkantis detalę, prašome perkant mašinas nurodyti serijos numerį, tai padės išvengti klaidų

reikia dalių YANMAR, SCHAEFF, TEREX mašinoms - tai geriausias adresas

bruto kaina su PVM 23%

Prekė detaliau
15014067356121
Nauja

Charakteristikos

Detalės numeris
19822061480

Specifinė nuoroda

MPN
19822061480