• Tik internetu
Teleskopinis krautuvas su guoliu kat
  • Teleskopinis krautuvas su guoliu kat
  • Teleskopinis krautuvas su guoliu kat
  • Teleskopinis krautuvas su guoliu kat

Teleskopinis krautuvas su guoliu kat

15011351403088
23,37 €
Su mokesčiais
pristatymas per 5-9 darbo dienas
Kiekis

Aprašymas
Cogito Zabrze kompanija siūlo: GUOLINĖS STRAIPSNIS TELEHANDLER BACKHOE LOADERCAT

Prekės aprašymas:

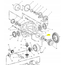
„Caterpillar“ statybinėse mašinose naudojama diferencialo korpuso guolių plokštė. Aukštos kokybės gaminys.

Tinka

ekskavatoriniai krautuvai:

416, 416B, 416C, 416D, 420D, 424D, 426, 426B, 426C, 428, 428B, 428C, 428D, 430D, 432D, 436B, 438,43,43,43 , 446, 446B, 446D

Teleskopiniai krautuvai:

RT50, TH103, TH62, TH63, TH82, TH83

Nuorodos numeris: 3N6408

Prekė detaliau
15011351403088
Nauja

Charakteristikos

Gamintojas
Other
Detalės numeris
3N6408
Originalus Detalės numeris
3N6408
Mašinos tipas
Ekskavatorius-krautuvas, krautuvas, kita
Mašinos prekės ženklas
Caterpillar

Specifinė nuoroda

MPN
3N6408