• Tik internetu
62132rsgp rutulinis guolis
  • 62132rsgp rutulinis guolis
  • 62132rsgp rutulinis guolis
  • 62132rsgp rutulinis guolis

62132rsgp rutulinis guolis

15014249209296
Gopart
41,24 €
Su mokesčiais
pristatymas per 5-9 darbo dienas
Kiekis

Aprašymas
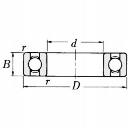
Rutulinis guolis INDEX: 62132RSGP

Medžiaga: Plienas

Vidinis skersmuo: 65mm

Plotis: 23mm

Išorinis skersmuo: 120mm

Sandarinimo tipas: 2RS

Guolis gali būti tepamas: Nėra

Guolio tipas: Giluminis rutulinis guolis

Grovių skaičius: 1

Turinys prekiniame vienete: 1vnt.

Klirensas išorin. radialinis - kodas: CN

Vidinio žiedo forma: Cilindrinis

Prekė detaliau
Gopart
15014249209296
Nauja

Charakteristikos

Gamintojas
Gopart
Detalės numeris
62132RSGP

Specifinė nuoroda

MPN
62132RSGP