• Tik internetu
3782728m1 gaubto rėmo atrama
  • 3782728m1 gaubto rėmo atrama
  • 3782728m1 gaubto rėmo atrama

3782728m1 gaubto rėmo atrama

15012761994608
208,77 €
Su mokesčiais
pristatymas per 5-9 darbo dienas
Kiekis

Aprašymas
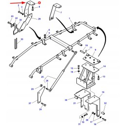
3782728M1 Kapoto rėmo laikiklis GAMINIO APRAŠAS:

Originalus gaubto rėmo laikiklis Nr. 3782728M1, naudojamas Massey Ferguson žemės ūkio traktoriuose.

Dalies katalogo numeris: 3782728M1

Kategorija: Kėbulas

Dalių gamintojas: Massey Ferguson

Pakeitimai:

Gamintojas: Massey Ferguson, kiti

Tinka mašinai:

Traktorius >, Massey Ferguson >, 6497

Traktorius >, Massey Ferguson >, 6499

Traktorius >, Massey Ferguson >, 8210

Traktorius >, Massey Ferguson >, 8220

Tractor >, Massey Ferguson >, 8240

Tractor >, Massey Ferguson >, 8250

Tractor >, Massey Ferguson > , 8

Tractor >, Massey Ferguson >, 8280

Prekė detaliau
15012761994608
Nauja

Charakteristikos

Detalės numeris
3782728M1

Specifinė nuoroda

MPN
3782728M1