4272770m1 kairiųjų durų stiklo keitimas
    • 4272770m1 kairiųjų durų stiklo keitimas
    • 4272770m1 kairiųjų durų stiklo keitimas

    4272770m1 kairiųjų durų stiklo keitimas

    15014081795572
    424,34 €
    Su mokesčiais
    pristatymas per 5-9 darbo dienas
    Kiekis

    Aprašymas
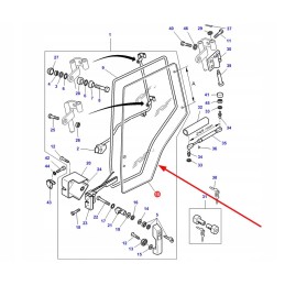
    4272770M1 Kairiųjų durų stiklo keitimas PRODUKTO APRAŠYMAS:

    Atsarginė originalaus kairiųjų durų stiklo dalis, pažymėta katalogo numeriu 4272770M1, tinka Massey Ferguson žemės ūkio traktoriams

    Dalies katalogo numeris: 4272770M1

    < p/> Kategorija: Kabinos stiklas

    Dalių gamintojas: Korbanek

    Pakeitimai: Massey Ferguson 4272770M1

    Gamintojas: Massey Ferguson,Other

    Tinka mašinai:

    Tractor >, Massey Ferguson >, 5425

    Tractor >, Massey Ferguson >, 5435 BASIC

    Tractor >, Massey Ferguson > , 5435 TIER 3

    Traktorius >, Massey Ferguson >, 5435 versija I

    Traktorius >, Massey Ferguson >, 5445

    Traktorius >, Massey Ferguson >, 5455< p>

    Traktorius >, Massey Ferguson >, 5455 3 LYGĖ

    Prekė detaliau
    15014081795572
    Nauja

    Charakteristikos

    Detalės numeris
    KK4272770M1