• Tik internetu
4352474m1 grilio tvirtinimo kronšteinas
  • 4352474m1 grilio tvirtinimo kronšteinas
  • 4352474m1 grilio tvirtinimo kronšteinas

4352474m1 grilio tvirtinimo kronšteinas

15013236525277
188,96 €
Su mokesčiais
pristatymas per 5-9 darbo dienas
Kiekis

Aprašymas
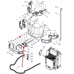
4352474M1 Grilio tvirtinimo kronšteinas PRODUKTO APRAŠYMAS:

Originalus grilio tvirtinimo kronšteinas su katalogo numeriu 4352474M1, naudojamas Challenger ir Massey Ferguson žemės ūkio traktoriuose.

Dalies katalogo numeris: 4352474M1

> Kategorija: Kėbulas

Dalių gamintojas: Massey Ferguson

Pakeitimai:

Gamintojas: Massey Ferguson, Kita

Tinka mašinai: < p>

Prekė detaliau
15013236525277
Nauja

Charakteristikos

Detalės numeris
4352474M1

Specifinė nuoroda

MPN
4352474M1