• Tik internetu
Adatų krūmas claas 665411 hk2538 fag
  • Adatų krūmas claas 665411 hk2538 fag
  • Adatų krūmas claas 665411 hk2538 fag

Adatų krūmas claas 665411 hk2538 fag

15010689734016
23,37 €
Su mokesčiais
pristatymas per 5-9 darbo dienas
Kiekis

Aprašymas
Vardas:

Adatų įvorė Claas 665411 HK2538 FAG

Aprašymas:

Dalies numeris HK2538

Vienetas Art

Specifikacijos – Kompaktiškas dizainas

Privalumai - Mažas erdvės poreikis aplink spindulį Taikymas - Transmisija - Kabina - Slėgio presas

Savybės - Tinka tik radialinėms apkrovoms - Guoliams reikalingi grūdinti ir lygūs važiavimo paviršiai

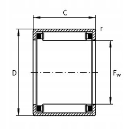
C Aukštis 38 mm

vidinis Ø 25 mm

Fw Vidinis diametras, adatos žiedas 25 mm

D Išorinis skersmuo 32 mm

Originalus numeris HK2538-ZW

Gamintojas: FAG

Prekė detaliau
15010689734016
Nauja

Charakteristikos

Detalės numeris
KHK25381
Produkto svoris su vienetine pakuote
0.1 kg

Specifinė nuoroda

MPN
KHK25381