• Tik internetu
Tr2p456010001 apatinis prietaisų skydelio dangtis
  • Tr2p456010001 apatinis prietaisų skydelio dangtis
  • Tr2p456010001 apatinis prietaisų skydelio dangtis
  • Tr2p456010001 apatinis prietaisų skydelio dangtis

Tr2p456010001 apatinis prietaisų skydelio dangtis

15013178237087
165,48 €
Su mokesčiais
pristatymas per 5-9 darbo dienas
Kiekis

Aprašymas
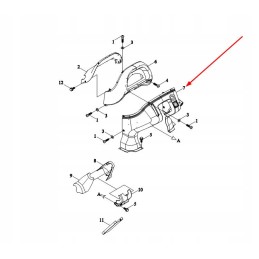
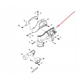
TR2P456010001 Apatinis prietaisų skydelio dangtis GAMINIO APRAŠYMAS:

Originalus apatinis prietaisų skydelio dangtis su katalogo numeriu TR2P456010001, naudojamas Arbos ir Lovol markių žemės ūkio traktoriuose.

Dalies katalogo numeris: TR2P451

Kategorija: Kabina Kiti kabinos elementai

Dalių gamintojas: ARBOS

Pakeitimai:

Gamintojas: Other

Tinka mašinai:

Tractor >, Arbos >, 3055

Tractor >, Lovol >, M504

Tractor >, Lovol >, M504 Rops

Prekė detaliau
15013178237087
Nauja

Charakteristikos

Detalės numeris
TR2P456010001

Specifinė nuoroda

MPN
TR2P456010001