• Tik internetu
F731200100160 reguliavimo svirtis
  • F731200100160 reguliavimo svirtis
  • F731200100160 reguliavimo svirtis

F731200100160 reguliavimo svirtis

15014061053660
AGCO
174,14 €
Su mokesčiais
pristatymas per 5-9 darbo dienas
Kiekis

Aprašymas
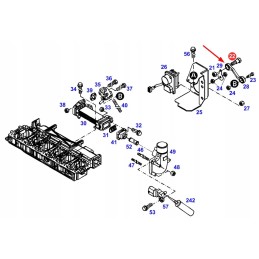
F731200100160 Reguliavimo svirtis PRODUKTO APRAŠYMAS:

Originali reguliavimo svirtis, naudojama Fendt žemės ūkio traktoriuose.

Dalies katalogo numeris: F731200100160

Kategorija: Variklio priedai Siurbimo sistema - išmetimas

Dalies gamintojas: FENDT

Pakaitalai:

Gamintojas: Fendt, Kita

Tinka mašinai:

Tractor >, Fendt >, 714 Vario

Tractor >, Fendt >, 716 Vario

Tractor >, Fendt >, 818 Vario TMS

Tractor > , Fendt >, 820 Vario TMS

Tractor >, Fendt >, Farmer 309

Tractor >, Fendt >, Farmer 310

Tractor >, Fendt >, Farmer 311

Tractor >, Fendt >, Farmer 312 LSA

Prekė detaliau
AGCO
15014061053660
Nauja

Charakteristikos

Gamintojas
AGCO
Detalės numeris
F731200100160

Specifinė nuoroda

MPN
F731200100160