• Tik internetu
Išjunkite universalų jungiklį 0 1 ant 2 kontaktų
  • Išjunkite universalų jungiklį 0 1 ant 2 kontaktų
  • Išjunkite universalų jungiklį 0 1 ant 2 kontaktų
  • Išjunkite universalų jungiklį 0 1 ant 2 kontaktų
  • Išjunkite universalų jungiklį 0 1 ant 2 kontaktų

Išjunkite universalų jungiklį 0 1 ant 2 kontaktų

1508531383182
Other (ENG)
22,40 €
Su mokesčiais
pristatymas per 5-9 darbo dienas
Kiekis

Aprašymas
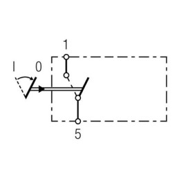
Įjungimo / išjungimo raktinis jungiklis 444 tipas (plokščias) universalus: skirtas naudoti su bet kokia šviečiančia lenta / simboliu, pvz.:

žemės ūkio mašinoms

statybinėms mašinoms

kai kuriems automobiliams

12V 16A

galimybė pakeisti lemputę į 24V - - jokio papildomo mokesčio – prašome nurodyti komentaruose!

du kaiščiai nugarėlėje padėtyje: 1, 5

yra 1,2W galios lemputė

reikalingi tvirtinimo angos matmenys: 22x44 mm

puikiai telpa į rėmus ir parduodami silikoniniai dangčiai

taip pat gali būti naudojami kiti simboliai, lentelės, šviečiantys stiklai

Liebherr

Claas

Fendt

JCB

Manitou

Galimos įvairios šių jungiklių versijos: dviejų pakopų, su automatiniu grąžinimu ir kt.

Prekė detaliau
Other (ENG)
1508531383182
Nauja

Charakteristikos

Gamintojas
other (ENG)
Detalės numeris
444005-2
Originalus Detalės numeris
444005
Produkto svoris su vienetine pakuote
0.03 kg
Detalės kokybė (pagal GVO)
Q - originalus su dalių gamintojo logotipu (OEM, OES)
Pakuotės būklė
Originali

Specifinė nuoroda

MPN
444005-2