Lenkiškas 2 sekcijų skirstytuvas RR2510 211 hidrotorius
    • Lenkiškas 2 sekcijų skirstytuvas RR2510 211 hidrotorius
    • Lenkiškas 2 sekcijų skirstytuvas RR2510 211 hidrotorius
    • Lenkiškas 2 sekcijų skirstytuvas RR2510 211 hidrotorius
    • Lenkiškas 2 sekcijų skirstytuvas RR2510 211 hidrotorius
    • Lenkiškas 2 sekcijų skirstytuvas RR2510 211 hidrotorius
    • Lenkiškas 2 sekcijų skirstytuvas RR2510 211 hidrotorius

    Lenkiškas 2 sekcijų skirstytuvas RR2510 211 hidrotorius

    15013814254990
    404,33 €
    Su mokesčiais
    pristatymas per 5-9 darbo dienas
    Kiekis

    Aprašymas
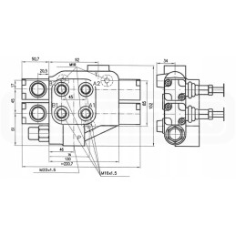
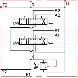
    ROZDZIELACZ HYDRAULICZNY 2 SEKCYJNY60L/minProdukcja:

    Oryginalny produkt marki Hydrotor Tuchola, symbol: RR2510/211

    Zastosowanie:

    Przeznaczony do stewnijie dwoma powieromami w układy hydraulicznym, e.g. dwoma siłwnikami dwustronnego szące lub dwoma silnikami w obu kierunkach.

    Dane tecnische:

    Brand: Hydrotor Tuchola

    Ilość sekcji: 2

    Przepływ: ≤ 60 l/min

    Ciśnienie: P: ≤ 250 bar , T: ≤ 100 bar , A i B: ≤ 250 bar

    Ustawienie zaworu szczecina: ~160 bar< p>

    Zakres regulatów zaworu przelewowego: 50 - 200 bar (after contact with the producer or seller)

    Typ suwaków: 2x 11 (patrz tabela schematów hydraulicacznych w katulu Hydrotor Tuchola)

    < p/>Praca suwaków: 1-0-2 ze sprzewyną stabiliząjuću w pości 0

    Ambient temperature: -20 °C ÷ +50 °C

    Oil temperature: -20 °C ÷ +80 °C

    Prekė detaliau
    15013814254990
    Nauja

    Charakteristikos

    Gamintojas
    Hydrotor
    Detalės numeris
    RR2510/211