Hidraulinis skirstytuvas 7s 40l 7xa1 badestnost
    • Hidraulinis skirstytuvas 7s 40l 7xa1 badestnost
    • Hidraulinis skirstytuvas 7s 40l 7xa1 badestnost
    • Hidraulinis skirstytuvas 7s 40l 7xa1 badestnost
    • Hidraulinis skirstytuvas 7s 40l 7xa1 badestnost
    • Hidraulinis skirstytuvas 7s 40l 7xa1 badestnost

    Hidraulinis skirstytuvas 7s 40l 7xa1 badestnost

    15014329097512
    426,12 €
    Su mokesčiais
    pristatymas per 5-9 darbo dienas
    Kiekis

    Aprašymas
    SEKCIJŲ HIDRAULINIS PLASTYTUVAS P40 Gamyba:

    Originalus prekės ženklo Badestnost gaminys, gamintojo simbolis: 07P40 7xA1 GKZ1, simbolis: 1.10.00.070

    Taikymas:

    Plačiai naudojamas žemės ūkio, sodininkystės, miškininkystės ir plačiai suprantamose miškininkystės sistemose.

    Platintojas pritaikytas įvairių tipų mašinoms, tokioms kaip: žemės ūkio technikos, traktoriai, purkštuvai, toureriai, ciklopai, HDS krautuvai, statybinės mašinos, krautuvai, ekskavatoriai, šlavimo mašinos, pramoninės mašinos ir kiti hidrauliškai valdomi įrenginiai.

    Techniniai duomenys:

    Rekomenduojamas alyvos srautas sistemoje: 0 - 40 l/min. Valdymo pavyzdys: septynios dvigubo veikimo pavaros.

    Galimybė nuosekliai prijungti prie esamos sistemos (reikalinga slėgio įvorė).

    Valdymas:

    Visos svirtys yra trijų padėčių (1 - 0 - 2), spyruoklinės, t. y. jos grįžta į vertikalios savaime:

    Padėtis 0 neutrali (svirtis nustatyta vertikaliai), pavaros stūmoklio strypas stovi - alyva eina į perpildymą.

    Darbo padėtis 1 (svirtis nustatyta įstrižai į priekį), pavaros stūmoklio strypas išsitiesia.

    2 darbinė padėtis (svirtis nustatyta įstrižai atgal), pavaros stūmoklio strypas atsitraukia į dešinę.

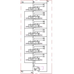
    Dešinėje siūlomo skirstytuvo hidraulinė schema:

    Prijungimas:

    Tiekimas iš siurblio (P1, P2): BSP 1/2'' vidinis sriegis

    Grįžimas į baką (T1, T2): BSP 1/2' vidinis sriegis '

    Sekcijos (A1, A2, A3, A4, A5, A6, A7, B1, B2, B3, B4, B5, B6, B7): BSP 3/8 vidinis sriegis''

    Serijos jungtis (N): vidinis sriegis BSP 1/2'

    Slėgio diapazonas:

    Maksimalus tiekimo slėgis: 250 Bar

    Maksimalus grįžtamasis slėgis: 50 Bar

    Maksimalus sekcijos slėgis: 300 barų

    Prieš paleidžiant rekomenduojama patikrinti ir nustatyti atitinkamą slėgį.

    Galimybė savarankiškai reguliuotis, pilnas apsisukimas 30 Bar.

    AGRICOLA rekomenduojami alyvos tipai:

    Skiediklis, aukštos kokybės alyva: LOTOS AGROL BOXOL 26

    Tirštesnė, aukštos kokybės alyva: FUCHS AGROFARM HYDRATEC HVI 46

    Rekomenduojamas alyvos temperatūros diapazonas:

    Leidžiama aplinkos temperatūra: -40 C iki +60 C

    Leidžiama alyvos temperatūra: -15 C iki +80 C

    Atidarymo slėgis perpildymo vožtuvas didėja proporcingai didėjant srautui:

    180 barų esant 10 l/min.

    190 barų esant 20 l/min.

    200 barų esant 30 l/min.

    210 barų esant 40 l/min.

    Tikslaus slėgio matavimo rinkiniai gali rasite skyriuje Manometrai – matavimo rinkiniai

    Prekė detaliau
    15014329097512
    Nauja

    Charakteristikos

    Gamintojas
    Badestnost
    Detalės numeris
    A1.10.00.070
    Produkto svoris su vienetine pakuote
    12 kg