• Tik internetu
Konvertavimo rinkinys c5 251 280 bar
  • Konvertavimo rinkinys c5 251 280 bar
  • Konvertavimo rinkinys c5 251 280 bar

Konvertavimo rinkinys c5 251 280 bar

15014730484484
677,27 €
Su mokesčiais
pristatymas per 5-9 darbo dienas
Kiekis

Aprašymas
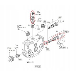
Konvertavimo komplektas C5, (251-280) bar
Prekė detaliau
15014730484484
Nauja

Charakteristikos

Gamintojas
Parker
Detalės numeris
301000K811
Originalus Detalės numeris
301000K811
Mašinos tipas
Kranas, kranas, keltuvas, generatorius, kita, ekskavatorius, ekskavatorinis krautuvas, trupintuvas, krautuvas, asfalto klotuvas, greideris, buldozeris, volas, savivartis, tankintuvas
Mašinos prekės ženklas
Atlas, Bobcat, Bomag, Case, Doosan, Fadroma, Hitachi, Hyundai, Inna, JCB, John Deere, Komatsu, Kubota, Liebherr, New Holland, O&K, Terex, Volvo, Wacker, Yanmar, Zeppelin

Specifinė nuoroda

MPN
301000K811