Skirstytuvas hydr 4s 40l 4xa1 2xjoy badestnost
    • Skirstytuvas hydr 4s 40l 4xa1 2xjoy badestnost
    • Skirstytuvas hydr 4s 40l 4xa1 2xjoy badestnost
    • Skirstytuvas hydr 4s 40l 4xa1 2xjoy badestnost
    • Skirstytuvas hydr 4s 40l 4xa1 2xjoy badestnost

    Skirstytuvas hydr 4s 40l 4xa1 2xjoy badestnost

    15012761610073
    443,62 €
    Su mokesčiais
    pristatymas per 5-9 darbo dienas
    Kiekis

    Aprašymas
    SEKCIJŲ HIDRAULINIS SKIRSTYTUVAS P40, VALDYMAS DVIEJIS VALDYMO SPIRTELĖMIS Gamyba:

    Originalus prekės ženklo Badestnost Bulgaria gaminys, gamintojo simbolis: 04P40 A1A1A1A1+2xJOY, simbolis: 1.10.00.049

    Taikymas:

    Plačiai naudojamas žemės ūkyje, sodininkystėje, miškininkystėje, hidraulinėje sistemoje statybinė avių pramonė ir plačiai suprantama pramonė .

    Platintojas pritaikytas įvairių tipų mašinoms, tokioms kaip: žemės ūkio mašinos, traktoriai, purkštuvai, turai, ciklopai, HDS krautuvai, statybinės mašinos, krautuvai, ekskavatoriai, šlavimo mašinos, pramoninės mašinos ir kitos hidrauliškai valdomos prietaisai.

    Techniniai duomenys:

    Rekomenduojamas sistemos alyvos srautas: 0 - 40 l/min. Valdymo pavyzdys: keturios dvigubo veikimo pavaros.

    Galimybė nuosekliai prijungti prie esamos sistemos (reikalinga slėgio mova).

    Valdymas:

    Abi penkių padėčių vairasvirtės (1 - 2 - 0 - 3 - 4), spyruoklinės, t.y. jie patys grįžta į vertikalę :

    Neutrali padėtis 0 (vairasvirtė nustatyta vertikaliai), abiejų pavarų stūmoklių strypai stovi – alyva patenka į perpildymą.

    1 darbo padėtis (vairasvirtės svirtis nustatyta į priekį įstrižai), išsikiša pirmosios pavaros stūmoklio strypas.

    2 darbo padėtis (vairasvirtės svirtis nustatyta įstrižai atgal), pirmosios pavaros stūmoklio strypas atsitraukia.

    3 darbo padėtis (vairasvirtės svirtis nustatyta įstrižai į kairę), stūmoklis išsikiša antrosios pavaros strypas.

    4 darbo padėtis (vairasvirtės svirtis nustatyta įstrižai į dešinę) antrosios pavaros stūmoklio strypas atsitraukia .

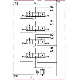
    Dešinėje pusėje siūlomo skirstytuvo hidraulinė schema:

    Prijungimas:

    Tiekimas iš siurblio (P1, P2): BSP 1/2" vidinis sriegis

    Grįžimas į baką (T1, T2): BSP 1/2" vidinis sriegis

    Sekcijos (A1, A2, A3, A4, B1, B2, B3, B4): BSP 3/8" vidinis sriegis

    Serijinė jungtis (N): BSP 1/2" vidinis sriegis

    Slėgio diapazonas:

    Maksimalus tiekimo slėgis: 250 Bar

    Maksimalus grįžtamasis slėgis: 50 Bar

    Maksimalus sekcijos slėgis : 300 barų

    Perpildymo vožtuvo atsidarymo slėgis didėja proporcingai didėjant srautui:

    180 barų esant 10 l/min.

    190 barų esant 20 l/min.

    200 barų esant 30 l/min.

    210 barų esant 40 l/min. min

    Tikslaus slėgio matavimo rinkinius rasite skiltyje Manometrai – matavimo rinkiniai

    Rekomenduojame patikrinti ir nustatyti atitinkamą slėgį prieš pradedant.

    Savarankio reguliavimo galimybė, pilnas apsisukimas 30Bar.

    AGRICOLA alyvos rekomenduojami tipai :

    Skiedesnė aukštos kokybės alyva: LOTOS AGROL BOXOL 26

    Tirštesnė aukštos kokybės alyva: FUCHS AGROFARM HYDRATEC HVI 46

    Rekomenduojamas alyvos temperatūros diapazonas:

    Leidžiama aplinkos temperatūra: -40 C iki +60 C

    Leidžiama alyvos temperatūra: -15 C iki +80 C

    Prekė detaliau
    15012761610073
    Nauja

    Charakteristikos

    Gamintojas
    Badestnost
    Detalės numeris
    A1.10.00.049.10
    Produkto svoris su vienetine pakuote
    7 kg