sekcijų skirstytuvas 90l q75 galtech kabeliams
    • sekcijų skirstytuvas 90l q75 galtech kabeliams
    • sekcijų skirstytuvas 90l q75 galtech kabeliams
    • sekcijų skirstytuvas 90l q75 galtech kabeliams
    • sekcijų skirstytuvas 90l q75 galtech kabeliams

    sekcijų skirstytuvas 90l q75 galtech kabeliams

    15010655631787
    407,23 €
    Su mokesčiais
    pristatymas per 5-9 darbo dienas
    Kiekis

    Aprašymas
    SEKCIJŲ HIDRAULINIS SKIRSTYTUVAS Q90, KABELAS IR JOJISTIKA VALDOMAS Gamyba:

    Originalus prekės ženklo „Galtech Italy“ gaminys, simbolis: 1.10.32.320

    Taikymas:

    Plačiai naudojamas žemės ūkio, sodininkystės, miškininkystės, statybos ir plačiai suprantamose pramonės šakose. Platintojas pritaikytas įvairioms mašinoms, tokioms kaip: žemės ūkio mašinos, traktoriai, purkštuvai, turai, ciklopai, HDS krautuvai, statybinės mašinos, krautuvai, ekskavatoriai, šlavimo mašinos, pramoninės mašinos ir kiti hidrauliškai valdomi įrenginiai.

    Naudojamas visur, kur saugos ir geresnio komforto priežasčių kontrolė arba būtinybė palaikyti švarą, skirstytuvą reikia įrengti už salono ribų. Kabinoje lieka tik valdymo blokas, pvz., vairasvirtė, kuri laidais prijungta prie skirstytuvo.

    Techniniai duomenys:

    Rekomenduojamas alyvos srautas sistemoje: 0 - 90 l/min.

    Valdymo pavyzdys: dvi dvigubo veikimo pavaros .

    Galimybė nuosekliai prijungti prie esamos sistemos (reikalinga slėgio įvorė).

    Valdymas:

    Abu slankikliai yra trijų padėčių (1 - 0 - 2), spyruokliniai, t.y., atleidus vairasvirtę, grįžta į neutralią padėtį. . Neutralioje padėtyje alyva patenka į perpildymą, o siurblys atleidžiamas.

    Rekomenduojama valdyti penkių padėčių vairasvirte (1 - 2 - 0 - 3 - 4):

    Neutrali padėtis 0 (vairasvirtė nustatyta vertikaliai). ), abiejų pavarų stūmoklių strypai yra nejudantys – alyva teka iki perpildymo.

    Darbo padėtis 1 (vairasvirtės svirtis nustatyta į pasvirusią į priekį), pirmosios pavaros stūmoklio kotas išsikiša.

    2 darbo padėtis (vairasvirtės svirtis nustatyta į priekį). įstrižinė padėtis atgal), pirmosios pavaros stūmoklio strypas atsitraukia.

    3 darbo padėtis (vairasvirtės svirtis nustatyta įstrižai į kairę), antrosios pavaros stūmoklio kotas išsikiša.

    4 darbinė padėtis (vairasvirtės svirtis įjungta įstrižoje padėtyje į dešinę), antrosios pavaros stūmoklio strypas atsitraukia.

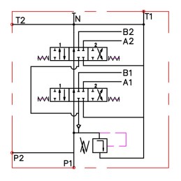
    Dešinėje siūlomo skirstytuvo hidraulinė schema:

    Prijungimas:

    Maitinimas iš siurblio (P1 , P2): BSP 1/2' ' vidinis sriegis

    Bako grąžinimas (T1, T2): BSP 3/4" vidinis sriegis

    Sekcijos (A1, A2, B1, B2): BSP 1/2" vidinis sriegis

    Slėgio diapazonas:

    Maksimalus tiekimo slėgis: 250 barų

    Maksimalus grįžtamasis slėgis: 50 Bar

    Maksimalus slėgis sekcijose: 300 Bar

    Perpildymo vožtuvas gamykloje nustatytas į 175 Bar

    Galimybė savarankiškai reguliuoti, pilnas apsisukimas 30 barais

    AGRICOLA rekomenduojami alyvos tipai:

    Skiedesnė aukštos kokybės alyva: LOTOS AGROL BOXOL 26

    Tirštesnė aukštos kokybės alyva: FUCHS AGROFARM HYDRATEC HVI 46

    Rekomenduojamas alyvos temperatūros diapazonas:

    Leidžiama aplinkos temperatūra: -40 C iki +60 C

    Leidžiama alyvos temperatūra: -15 C iki +80 C

    Prekė detaliau
    15010655631787
    Nauja

    Charakteristikos

    Gamintojas
    Galtech
    Detalės numeris
    1/10/32/320
    Produkto svoris su vienetine pakuote
    5.5 kg