• Tik internetu
Sustiprintas apatinis jungties rutulys kablio skersmuo 28 7mm
  • Sustiprintas apatinis jungties rutulys kablio skersmuo 28 7mm
  • Sustiprintas apatinis jungties rutulys kablio skersmuo 28 7mm

Sustiprintas apatinis jungties rutulys kablio skersmuo 28 7mm

15010642990466
14,15 €
Su mokesčiais
pristatymas per 5-9 darbo dienas
Kiekis

Aprašymas
Sustiprintas apatinės jungties rutulinis CAT. 2 Apatinės jungties kablio Fi 28,7 mm SKRAW-MET KODAS: [2358] Daugiausia naudojamas centrinėms jungtims, naudojamoms traktoriuose, kurių didžiausia galia yra 120 AG, pavyzdžiui:

C-360

C-385

ZETORA 1224

ir dariniai

vietoj centrinio varžto traktoriuje sumontuota hidraulinė jungtis. Tai leidžia pakelti ir nuleisti žemės ūkio mašinas naudojant hidraulinę sistemą neišlipant iš kabinos.

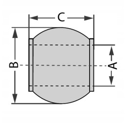
Techninės specifikacijos: vidinis skersmuo (A) - 28,7 mm

rutulio skersmuo (B) - 52 mm

bendras aukštis (C) - 45 mm

rutulys su viršutine dalimi jungtys cinkuotos ir grūdintos

Prekė detaliau
15010642990466
Nauja

Charakteristikos

Detalės numeris
2358.FI.52MMYDR5

Specifinė nuoroda

MPN
2358.FI.52MMYDR5