• Tik internetu
Greičio reguliatoriaus vožtuvas sumontuotas ant BMR variklio
  • Greičio reguliatoriaus vožtuvas sumontuotas ant BMR variklio
  • Greičio reguliatoriaus vožtuvas sumontuotas ant BMR variklio
  • Greičio reguliatoriaus vožtuvas sumontuotas ant BMR variklio
  • Greičio reguliatoriaus vožtuvas sumontuotas ant BMR variklio
  • Greičio reguliatoriaus vožtuvas sumontuotas ant BMR variklio

Greičio reguliatoriaus vožtuvas sumontuotas ant BMR variklio

15013187499668
Hydrolider
183,09 €
Su mokesčiais
pristatymas per 5-9 darbo dienas
Kiekis

Aprašymas
HIDRAULINIS VOŽTUVAS BVR 1205 1/2' VARIKLIO GREIČIO REGULIAVIMAS SU SLĖGIO KOMPENSACIJA Gamyba:

Hidrolideris, simbolis: 1.35.09.005.1

Taikymas:

Tai yra plačiai naudojamas hidraulinėse sistemose žemės ūkyje, sodininkystėje, miškininkystėje, statyboje ir plačiai suprantamoje pramonėje.

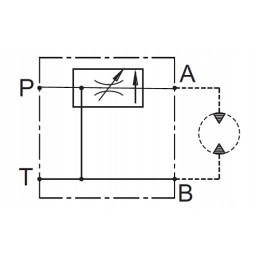
Reguliatorių naudojame tada, kai norime pakeisti hidraulinio variklio sukimosi greitį, bet tuo pat metu to nedarome nori prarasti savo galią. Sukurta daugiausia montuoti ant hidraulinių variklių vyniotuvuose, gręžimo įrenginiuose, grąžtuose ir kitose mašinose, kur varikliai veikia ilgą laiką, nuolat ir esant didelei apkrovai.

Reglamentas:

vožtuvas reguliuojamas naudojant rankenėlę, nustatymus galima užfiksuoti fiksavimo veržle.

Ventuvas leidžia reguliuoti variklio sūkius tik viena kryptimi, pasikeitus alyvos srauto krypčiai, variklis gali laisvai suktis kita kryptimi, bet nėra jokio reguliavimo ir variklis grįžta prie vardinių sūkių.

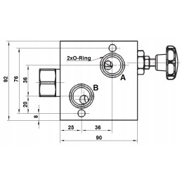
Jungtis:

Prijunkite P prie maitinimo linijos, o T - prie grįžimo linija. Prijunkite A ir B prie hidraulinio variklio.

Integracija:

Tvirtinama tiesiai ant hidraulinio variklio, tinka BMR, SMR, OMP, BMP varikliams (nuotrauka):

< p />Techniniai duomenys:

Maksimalus sugertis: 90 l/min Srauto reguliavimo diapazonas vienam varikliui: 0-70L/min Hidraulinių angų skaičius korpuse: 4 (+ anga manometrui) Vidiniai sriegiai korpusas: 1 /2'' [BSP] Korpuso medžiaga: cinkuotas plienas Maksimalus leistinas slėgis: 250 barų Svoris: 2,660 kg

Temperatūros diapazonas ir alyvos tipas:

Leidžiama aplinkos temperatūra: - 40 C iki +60 C Leidžiama alyvos temperatūra: -15 C iki +80 C Alyvos tipas: Hidraulinė alyva mineralinės alyvos pagrindu

Veikimo principas:

Ventuvas leidžia nustatyti tam tikra alyvos dozė hidrauliniam varikliui. Dėl to galime nuolat kontroliuoti variklio sukimosi greitį. Kiekvieną kartą alyvos perteklius išleidžiamas į grįžtamąją žarną. Reguliatorius tiekia pastovią alyvos dozę imtuvui, nepaisant siurblio galingumo pokyčių. Tačiau, pasikeitus imtuvo apkrovai, nustatyta alyvos dozė gali šiek tiek sumažėti arba padidėti.

Reguliatorius turi kompensaciją, t.y., nėra alyvos slėgio kritimo už vožtuvo. Dėl to po reguliavimo variklis išlaiko beveik pradinį sukimo momentą. Įprasti droselio vožtuvai dirba su varikliais, kad pašildytų alyvą, jie taip pat neturi kompensacijos, tai reiškia, kad sureguliavus variklio sūkius, variklis taip pat praranda galią.

Prekė detaliau
Hydrolider
15013187499668
Nauja

Charakteristikos

Gamintojas
Hydrolider
Detalės numeris
A1.35.09.005.1

Specifinė nuoroda

MPN
A1.35.09.005.1