• Tik internetu
Platintojas hydr 2s 80l a1a1 badestnost at
  • Platintojas hydr 2s 80l a1a1 badestnost at
  • Platintojas hydr 2s 80l a1a1 badestnost at
  • Platintojas hydr 2s 80l a1a1 badestnost at
  • Platintojas hydr 2s 80l a1a1 badestnost at

Platintojas hydr 2s 80l a1a1 badestnost at

15012762048753
Badestnost
233,51 €
Su mokesčiais
pristatymas per 5-9 darbo dienas
Kiekis

Aprašymas

2 SEKCIJŲ HIDRAULINIS SKIRSTYTUVAS P80 SU JUNGTIS RINKINYSGamyba:

Originalus prekės ženklo Badestnost Bulgaria gaminys, gamintojo simbolis: 02P80 A1A1 GKZ1, simbolis: 1.020.10. p>

Taikymas:

Plačiai naudojamas hidraulinėse sistemose žemės ūkyje, sodininkystėje, miškininkystėje, statyboje ir plačiai suprantamoje pramonėje.

Skirstytuvas pritaikytas įvairiems tipams mašinos, tokios kaip: žemės ūkio mašinos, traktoriai , purkštuvai, turistinės mašinos, ciklopai, HDS krautuvai, statybinės mašinos, krautuvai, ekskavatoriai, šlavimo mašinos, pramoninės mašinos ir kiti hidrauliškai valdomi įrenginiai.

Techniniai duomenys:

Rekomenduojamas alyvos srautas sistemoje: 0 - 80 l/min. Valdymo pavyzdys: du dvigubo veikimo cilindrai.

Galimybė nuosekliai prijungti prie esamos sistemos (reikalinga slėgio įvorė).

Valdymas:

Abu trijų padėčių svirties (1 - 0 - 2), ant spyruoklės, t.y. jos pačios grįžta į vertikalę:

Neutrali padėtis 0 (svirtis nustatyta vertikaliai), pavaros stūmoklio strypas stovi - alyva eina į perpildymas.

1 darbinė padėtis (svirtis nustatyta į priekį įstrižai), pavaros stūmoklio strypas išsitiesia.

2 darbinė padėtis (svirtis nustatyta įstrižai į galą), pavaros stūmoklio strypas atsitraukia.

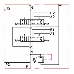
Dešinėje pusėje siūlomo kolektoriaus hidraulinė schema:

Jungtys su sandarikliais (sriegiai):

Patiekimas iš siurblio (P): BSP sriegis 1/2'' - M22x1,5

Grįžti į baką (T): BSP sriegis 3/4'' – M27x2

Išvestis į sekcijas (A, B): BSP 1/2'' sriegiai – M22x1,5

Slėgio diapazonas:

< p/>Maksimalus tiekimo slėgis: 250 barų

Maksimalus grįžtamasis slėgis: 50 barų

Maksimalus slėgis sekcijose: 300 barų

Perpildymo vožtuvo atidarymo slėgis proporcingai didėja padidėjus srautui:

180 barų esant 20 l/min.

190 barų esant 40 l/min.

200 barų esant 60 l/min.

210 barų esant 80 l/min

Komplektus tiksliam slėgio matavimui rasite skyriuje Manometrai – matavimo rinkiniai

Rekomenduojame patikrinti ir nustatyti atitinkamą slėgis prieš paleidžiant.

Savarankiško reguliavimo galimybė, pilnas apsisukimo keitimas 30 Bar.

AGRICOLA rekomenduojami alyvos tipai:

Skiedesnė aukštos kokybės alyva: LOTOS AGROL BOXOL 26

Tirštesnė aukštos kokybės alyva: FUCHS AGROFARM HYDRATEC HVI 46

Rekomenduojamas alyvos temperatūros diapazonas:

Leidžiama aplinkos temperatūra: -40 C iki +60 C

Leidžiama alyvos temperatūra: -15 C iki +80 C

Prekė detaliau
Badestnost
15012762048753
Nauja

Charakteristikos

Gamintojas
Badestnost
Detalės numeris
A1.10.10.020.3
Produkto svoris su vienetine pakuote
5.5 kg

Specifinė nuoroda

MPN
A1.10.10.020.3