• Tik internetu
Platintojas hydr 2s 40l a1a1 badestnost kolp
  • Platintojas hydr 2s 40l a1a1 badestnost kolp
  • Platintojas hydr 2s 40l a1a1 badestnost kolp
  • Platintojas hydr 2s 40l a1a1 badestnost kolp
  • Platintojas hydr 2s 40l a1a1 badestnost kolp

Platintojas hydr 2s 40l a1a1 badestnost kolp

15012761691085
Badestnost
145,53 €
Su mokesčiais
pristatymas per 5-9 darbo dienas
Kiekis

Aprašymas
SEKCIJŲ HIDRAULINIS SKIRSTYTUVAS P40 KOMPLEKTUOSE SU ATSARGINIU dangteliu IR SVIRTUIGamyba:

Originalus prekės ženklo Badestnost gaminys, gamintojo simbolis: 02P40 A1A1 GKZ1, simbolis: 1.10.00.020.2

Taikymas:

Plačiai naudojamas hidraulinėse sistemose žemės ūkyje, sodininkystėje, miškininkystėje, statyboje ir plačiai suprantamoje pramonėje.

Skirstytojas pritaikytas įvairių tipų mašinoms, tokioms kaip: žemės ūkio mašinos , traktoriai, purkštuvai, aurochai, ciklopai , HDS krautuvai, statybinės mašinos, krautuvai, ekskavatoriai, šlavimo mašinos, pramoninės mašinos ir kiti hidrauliškai valdomi įrenginiai.

Techniniai duomenys:

Rekomenduojamas alyvos srautas sistema: 0 - 40 l/min. Valdymo pavyzdys: du dvigubo veikimo cilindrai.

Galimybė nuosekliai prijungti prie esamos sistemos (reikalinga slėgio įvorė).

Valdymas:

Abu trijų padėčių svirties (1 - 0 - 2), ant spyruoklės, t.y. jos pačios grįžta į vertikalę:

Neutrali padėtis 0 (svirtis nustatyta vertikaliai), pavaros stūmoklio strypas stovi - alyva eina į perpildymas.

1 darbinė padėtis (svirtis nustatyta į priekį įstrižai), pavaros stūmoklio strypas išsitiesia.

2 darbinė padėtis (svirtis įstrižai į galą), pavaros stūmoklio strypas atsitraukia.

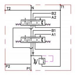
Dešinėje pusėje siūlomo skirstytuvo hidraulinė schema:

Prijungimas:

Patiekimas iš siurblio (P1, P2): BSP 1/2'' vidinis sriegis

Grįžimas į baką (T1, T2): BSP 1/2 '' vidinis sriegis

< p/>Sekcijos (A1, A2, B1, B2): BSP 3/8'' vidinis sriegis

Serijos jungtis (N): BSP 1/2' vidinis sriegis

Slėgių diapazonas:

Maksimalus tiekimo slėgis: 250 barų

Maksimalus grįžtamasis slėgis: 50 barų

Maksimalus slėgis sekcijose: 300 barų

Atsidarančio slėgio perpildymo vožtuvas didėja proporcingai didėjant srautui:

180 barų esant 10 l/min.

190 barų esant 20 l/min.

200 barų prie 30 l/min

210 barų esant 40 l/min.

Tikslaus slėgio matavimo rinkinius rasite skyriuje Manometrai – matavimo rinkiniai

Rekomenduojame patikrinti ir nustatyti tinkamą slėgį prieš pradedant .

Savarankinio reguliavimo galimybė, pilnas apsisukimo keitimas 30 Bar.

AGRICOLA rekomenduojami alyvos tipai:

< p/>Skiedesnė, kokybiška alyva: LOTOS AGROL BOXOL 26

Tirštesnė aukštos kokybės alyva: FUCHS AGROFARM HYDRATEC HVI 46

Rekomenduojamas alyvos temperatūros diapazonas:

Leidžiama aplinkos temperatūra: -40 C iki +60 C

Leidžiama alyvos temperatūra: -15 C iki +80 C

Prekė detaliau
Badestnost
15012761691085
Nauja

Charakteristikos

Gamintojas
Badestnost
Detalės numeris
A1.10.00.020.2
Produkto svoris su vienetine pakuote
5.5 kg

Specifinė nuoroda

MPN
A1.10.00.020.2