• Tik internetu
Hidraulinis skirstytuvas 2 sekcijų 80l badestnost
  • Hidraulinis skirstytuvas 2 sekcijų 80l badestnost
  • Hidraulinis skirstytuvas 2 sekcijų 80l badestnost
  • Hidraulinis skirstytuvas 2 sekcijų 80l badestnost
  • Hidraulinis skirstytuvas 2 sekcijų 80l badestnost

Hidraulinis skirstytuvas 2 sekcijų 80l badestnost

15013119972105
Badestnost
221,82 €
Su mokesčiais
pristatymas per 5-9 darbo dienas
Kiekis

Aprašymas

2 SEKCIJŲ HIDRAULINIS SKIRSTYTUVAS P80 KOMPLEKTINE SU ATSARGINIU dangteliu IR SVIRTUIGamyba:

Originalus prekės ženklo Badestnost Bulgaria gaminys, gamintojo simbolis: 02P80 A1A1 GKZ1, simbolis: 1.10.10. 2

< p/>Taikymas:

Plačiai naudojamas hidraulinėse sistemose žemės ūkyje, sodininkystėje, miškininkystėje, statyboje ir plačiai suprantamoje pramonėje.

Skirstytuvas pritaikytas įvairiems mašinų tipai, pvz.: žemės ūkio mašinos , traktoriai, purkštuvai, turistinės mašinos, ciklopai, HDS krautuvai, statybinės mašinos, krautuvai, ekskavatoriai, šlavimo mašinos, pramoninės mašinos ir kiti hidrauliškai valdomi įrenginiai.

Techniniai duomenys:

Rekomenduojama alyvos srauto sistema: 0 - 80 l/min. Valdymo pavyzdys: du dvigubo veikimo cilindrai.

Galimybė nuosekliai prijungti prie esamos sistemos (reikalinga slėgio įvorė).

Valdymas: abi svirtys turi tris padėtis (1 - 0 - 2). ), spyruokle, t.y. jie patys grįžta į vertikalę:

Neutrali padėtis 0 (svirtis nustatyta vertikaliai), pavaros stūmoklio strypas stovi - alyva eina į perpildymą.

1 darbinė padėtis (svirtis nustatyta įstrižai į priekį) išsikiša pavaros stūmoklio strypas.

2 darbo padėtis (svirtis nustatyta įstrižai į galą) pavaros stūmoklio kotas įsitraukia.

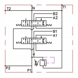
Dešinėje pusėje siūlomo kolektoriaus hidraulinė schema:

< p/>Prijungimas:

Patiekimas iš siurblio (P1, P2): BSP 1/2'' vidinis sriegis< p>

Grįžti į baką (T1, T2): BSP 3/ 4''

Sekcijos (A1, A2, B1, B2): BSP 1/2'' vidinis sriegis

Serijos jungtis (N): BSP 3/4' vidinis sriegis< p>

Slėgio diapazonas:

Maksimalus tiekimo slėgis: 250 barų

Maksimalus grįžtamasis slėgis : 50 barų

Maksimalus slėgis sekcijose: 300 bar

Perpildymo vožtuvo atsidarymo slėgis didėja proporcingai didėjant srautui:

180 barų esant 20 l/ min

190 barų esant 40 l/min.

200 barų esant 60 l/min.

210 barų esant 80 l/min.

Tikslius slėgio matavimo rinkinius rasite skyriuje Manometrai – matavimo rinkiniai

Prieš pradedant rekomenduojama patikrinti ir nustatyti reikiamą slėgį.

Savarankinio reguliavimo galimybė, pilnas apsisukimas 30Bar.

AGRICOLA rekomenduojami alyvos tipai:

Skiedesnė, kokybiška alyva: LOTOS AGROL BOXOL 26

Tirštesnė, kokybiškesnė alyva: FUCHS AGROFARM HYDRATEC HVI 46

Rekomenduojamas alyvos temperatūros diapazonas:

Leidžiama aplinkos temperatūra: -40 C iki +60 C

Leidžiama alyvos temperatūra: -15 C iki +80 C

Prekė detaliau
Badestnost
15013119972105
Nauja

Charakteristikos

Gamintojas
Badestnost
Detalės numeris
A1.10.10.020.2
Produkto svoris su vienetine pakuote
5.5 kg

Specifinė nuoroda

MPN
A1.10.10.020.2