• Tik internetu
Platintojas hydr 2s 40l a1k16 joy 1p badestnost
  • Platintojas hydr 2s 40l a1k16 joy 1p badestnost
  • Platintojas hydr 2s 40l a1k16 joy 1p badestnost
  • Platintojas hydr 2s 40l a1k16 joy 1p badestnost
  • Platintojas hydr 2s 40l a1k16 joy 1p badestnost

Platintojas hydr 2s 40l a1k16 joy 1p badestnost

15013290989516
Badestnost
363,64 €
Su mokesčiais
pristatymas per 5-9 darbo dienas
Kiekis

Aprašymas

2 SEKCIJŲ HIDRAULINIS SKIRSTYTUVAS P40 SU VIENA plūduriuojančia SEKCIJA, VALDYMAS ĮSTATYTA JOJISTIKA SU MYGTUKU Gamyba:

Originalinis BADESTNOST prekės ženklo gaminys, gamintojo simbolis: 1.029. 3

Taikymas:< p>

Plačiai naudojamas hidraulinėse sistemose žemės ūkyje, sodininkystėje, miškininkystėje, statyboje ir plačiai suprantamoje pramonėje.

Skirstytuvas pritaikytas įvairioms mašinų tipų, tokių kaip: žemės ūkio mašinos, traktoriai, purkštuvai, turistinės mašinos, ciklopai, HDS krautuvai, statybinės mašinos, krautuvai, ekskavatoriai, šlavimo mašinos, pramoninės mašinos ir kiti hidrauliškai valdomi įrenginiai.

Plaukiojanti sekcija, taip pat žinoma kaip laisvas srautas, naudojamas, be kita ko, sniego valytuvams arba TUR frontaliniams krautuvams. Tai sukelia laisvą stūmoklio koto judėjimą hidrauliniuose cilindruose. Apsaugo nuo pažeidimų, kurie tiesiogiai liečiasi su žeme, pvz., plūgo ašmenys.

Techniniai duomenys:

Rekomenduojamas alyvos srautas sistemoje: 0 - 40 l/min. Valdymo pavyzdys: dvi dvigubo veikimo pavaros ir papildomas elektrinis valdymas, pvz., 6/2 solenoidinis vožtuvas (valdomas trečiosios pavaros)

Galimybė nuosekliai prijungti prie esamos sistemos (reikalinga slėgio mova).

Valdymas:

Šešių padėčių vairasvirtė (1 - 2 - 0 - 3 - 4 - 5), spyruoklinė, t. y. pati grįžta į vertikalę:

0 padėtis neutrali (vairasvirtė nustatyta vertikaliai ) stovi abiejų pavarų stūmoklių kotai - alyva eina į perpildymą.

1 darbo padėtis (vairasvirtės svirtis nustatyta į pasvirusią į priekį), stūmoklio kotas Pirmoji pavara išsitraukia.

2 padėtis, plūduriuojanti su fiksatoriumi (svirtis nustatyta maksimalioje priekinėje padėtyje), pirmosios pavaros stūmoklio strypas veikia laisvai, laisvai išsikiša ir atsitraukia veikiamas jėgų.< p>

3 darbinė padėtis (vairasvirtės svirtis nustatyta įstrižai atgal) pirmosios pavaros stūmoklio strypas atsitraukia.

4 darbo padėtis (vairasvirtės svirtis nustatyta įstrižai į kairę), stūmoklis išsikiša antrosios pavaros strypas.

5 darbo padėtis (vairasvirtės svirtis nustatyta įstrižai į dešinę), įsitraukia antrosios pavaros stūmoklio strypas.

Elektrinis mygtukas 12V arba 24V:

Paspaudus vairasvirtės mygtuką, galima išvesti elektrinį signalą, kuris suaktyvina ritę įvairių tipų elektra valdomuose vožtuvuose. Populiariausias yra 6/2 solenoidinis vožtuvas, leidžiantis valdyti papildomą trečią sekciją, TUR krauve tai gali būti krokodilas arba ryšulių griebtuvas.

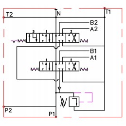
Dešinėje yra hidraulinis siūlomo skirstytuvo schema:

Prijungimas :

Patiekimas iš siurblio (P1, P2): BSP 1/2'' vidinis sriegis

Grįžti į bakas (T1, T2): BSP 1/2'' vidinis sriegis< p>

Sekcijos (A1, A2, B1, B2): BSP 3/8'' vidinis sriegis

Serijos jungtis (N): BSP 1/2' vidinis sriegis

Slėgio diapazonas:

Maksimalus tiekimo slėgis: 250 barų

Maksimalus grįžtamasis slėgis: 50 barų

Maksimalus slėgis sekcijose: 300 barų

Perpildymo vožtuvo atsidarymo slėgis didėja proporcingai didėjant srautui:

180 barų esant 10 l/min.

190 barų esant 20 l/min.

200 barų, esant 30 l/min.

210 barų esant 40 l/min.

Gali būti naudojami tikslūs slėgio matavimo rinkiniai rasite skyriuje Manometrai - matavimo rinkiniai

Prieš pradedant rekomenduojama patikrinti ir nustatyti atitinkamą slėgį.

Savarankinio reguliavimo galimybė, pilnas apsisukimo pokytis 30Bar.

AGRICOLA rekomenduojamos alyvos rūšys:

Skiedesnis, aukštos kokybės aliejus: LOTOS AGROL BOXOL 26

Tirštesnis aukštos kokybės aliejus: FUCHS AGROFARM HYDRATEC HVI 46

< p/>Rekomenduojamas alyvos temperatūros diapazonas:

Leidžiama aplinkos temperatūra: -40 C iki +60 C

Leidžiama alyvos temperatūra: -15 C iki +80 C

Prekė detaliau
Badestnost
15013290989516
Nauja

Charakteristikos

Gamintojas
Badestnost
Detalės numeris
A1.10.00.029.41

Specifinė nuoroda

MPN
A1.10.00.029.41