Hidraulinis skirstytuvas 2z80 a1a1 12v badestnost
    • Hidraulinis skirstytuvas 2z80 a1a1 12v badestnost
    • Hidraulinis skirstytuvas 2z80 a1a1 12v badestnost
    • Hidraulinis skirstytuvas 2z80 a1a1 12v badestnost
    • Hidraulinis skirstytuvas 2z80 a1a1 12v badestnost

    Hidraulinis skirstytuvas 2z80 a1a1 12v badestnost

    15012766191846
    533,39 €
    Su mokesčiais
    pristatymas per 5-9 darbo dienas
    Kiekis

    Aprašymas
    Hidraulinis hidraulinis skirstytuvas. 12 V elektra - Gamyba:

    Originalus produktas BULY BULGARIA, gamintojo simbolis: 02Z80 A ES3 12VDC G, SIMBOLIS: 1.10.50.020.1

    Pritaikymas:

    Plačiai naudojamas hidraulinėse sistemose žemės ūkyje, miškininkystėje, soduose statyba ir statyba plačiai suprantama pramonė.

    Platintojas pritaikytas įvairių tipų mašinoms, tokioms kaip: žemės ūkio mašinos, traktoriai, purkštuvai, turizmo mašinos, ciklopai, HDS krautuvai, statybinės mašinos, krautuvai, ekskavatoriai, šlavimo mašinos, pramoninės mašinos ir kiti įrenginiai su hidraulinė sistema.

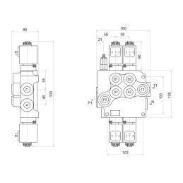
    Techniniai duomenys:

    Elektros kištukų komplektas.

    Rekomenduojamas alyvos srautas sistemoje: 0 - 80 l/min.

    Valdymo pavyzdys: dvi dvipusio veikimo pavaros.

    Galimybė nuosekliai prijungti prie esamos sistemos (slėgis) Reikalinga rankovė).

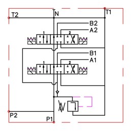
    Valdymas:

    Abu slankikliai turi tris padėtis (1 - 0 - 2), spyruokliniai, t. y. atjungus maitinimą, jie patys grįžta į neutralią padėtį. Kai slankiklis yra neutralioje padėtyje (0), alyva laisvai teka per skirstytuvą į grįžtamąjį kanalą, tada siurblys neveikia esant slėgiui ir atleidžiamas.

    Slankiklio veikimo principas:

    Neutrali padėtis 0 (srovė) nutrūksta tiekimas abiem ritėms) pavaros stūmoklio strypas stovi - alyva eina į perpildymą.

    1 darbo padėtis (maitinimas tiekiamas tik pirmai ritei), pavaros stūmoklio strypas tęsiasi.

    2 darbo padėtis (maitinimas tik antroji ritė), pavaros stūmoklio strypas atsitraukia.

    Dešinėje yra skirstytuvo hidraulinė schema:

    Srovė:

    Maitinimo nuolatinė srovė (DC) 12V

    Elektros kištukai turi diodus, kurie įsižiebia, kai srovė tiekiama į ritė.

    Prijungimas:

    Maitinimas iš siurblio (P1, P2): BSP 1/2" vidinis sriegis

    Grįžimas į baką (T1, T2): BSP 3/4" vidinis sriegis

    Sekcijos (A1, A2, B1, B2): BSP 1/2'' vidinis sriegis

    Serijinė jungtis (N): BSP 3/4 vidinis sriegis '

    Slėgio diapazonas:

    Maksimalus tiekimo slėgis: 250 barų

    Maksimalus grįžtamasis slėgis: 50 barų

    Maksimalus slėgis sekcijose: 300 barų

    Perpildymo vožtuvo atsidarymo slėgis didėja proporcingai didėjant srautui:

    180 barų esant 20 l/min.

    190 barų esant 40 l/min.

    200 barų esant 60 l/min.

    210 barų esant 80 l/min. tiksliam slėgio matavimui rasite skyrelyje Manometrai – matavimo rinkiniai

    Prieš paleidžiant rekomenduojama patikrinti ir nustatyti atitinkamą slėgį.

    Galimybė savarankiškai reguliuotis, pilnas sukimosi keitimas 30 Bar.

    AGRICOLA rekomenduojami alyvos tipai:

    Skiediklis aukštos kokybės alyva: LOTOS AGROL BOXOL 26

    Tirštesnė aukštos kokybės alyva: FUCHS AGROFARM HYDRATEC HVI 46

    Rekomenduojamas alyvos temperatūros diapazonas:

    Leidžiama aplinkos temperatūra: -40 C iki +60 C

    Leidžiama alyvos temperatūra: -15 C iki +80 C C

    Prekė detaliau
    15012766191846
    Nauja

    Charakteristikos

    Gamintojas
    Badestnost
    Detalės numeris
    A1.10.50.020.1
    Produkto svoris su vienetine pakuote
    2.5 kg