Hidraulinis skirstytuvas 2s 40l 02z50 24v ritės
    • Hidraulinis skirstytuvas 2s 40l 02z50 24v ritės
    • Hidraulinis skirstytuvas 2s 40l 02z50 24v ritės
    • Hidraulinis skirstytuvas 2s 40l 02z50 24v ritės
    • Hidraulinis skirstytuvas 2s 40l 02z50 24v ritės

    Hidraulinis skirstytuvas 2s 40l 02z50 24v ritės

    15013120017398
    463,53 €
    Su mokesčiais
    pristatymas per 5-9 darbo dienas
    Kiekis

    Aprašymas
    Hidraulinis skirstytuvas, 2 sekcijų elektrinis 24 V - Gamyba:

    Originalus gaminys iš Bulgarijos, Bulgarijos, gamintojo simbolis: 02Z50 A ES3 24VDC G, Simbolis: 1.10.45.020.1

    Pritaikymas:

    Plačiai naudojamas žemės ūkio, vaisių ir miškų ūkio hidraulinėse sistemose , miškininkystė ir statybos bei statybų sistemos plačiai suprantama pramonė.

    Platintojas pritaikytas įvairių tipų mašinoms, tokioms kaip: žemės ūkio mašinos, traktoriai, purkštuvai, turai, ciklopai, HDS krautuvai, statybinės mašinos, krautuvai, ekskavatoriai, šlavimo mašinos, pramoninės mašinos ir kiti įrenginiai su hidrauline sistema.

    Techniniai duomenys:

    Elektros kištukų komplektas.

    Rekomenduojamas alyvos srautas sistemoje: 0 - 40 l/min.

    Valdymo pavyzdys: dvi dvipusio veikimo pavaros.

    Galimybė nuosekliai prijungti prie esama sistema (reikalinga slėgio įvorė).

    Valdymas:

    Abu slankikliai turi tris padėtis (1 - 0 - 2), spyruokliniai, t.y., atjungę maitinimą, jie patys grįžta į neutralią padėtį. Kai slankiklis yra neutralioje padėtyje (0), alyva laisvai teka per skirstytuvą į grįžtamąjį kanalą, tada siurblys neveikia esant slėgiui ir atleidžiamas.

    Slankiklio veikimo principas:

    Neutrali padėtis 0 (srovė) nutrūksta tiekimas abiem ritėms) pavaros stūmoklio strypas stovi - alyva eina į perpildymą.

    1 darbo padėtis (maitinimas tiekiamas tik pirmai ritei), pavaros stūmoklio strypas tęsiasi.

    2 darbo padėtis (maitinimas tik antroji ritė), pavaros stūmoklio strypas atsitraukia.

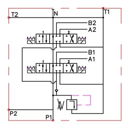
    Dešinėje skirstytuvo hidraulinė schema:

    Srovė:

    Maitinimo nuolatinė srovė (DC) 24V

    Elektros kištukai turi diodus, kurie užsidega, kai į ritę tiekiama srovė .

    Jungtis:

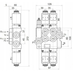
    Maitinimas iš siurblio (P1, P2): BSP 1/2" vidinis sriegis

    Bako nugara (T1, T2): BSP 1/2" vidinis sriegis

    Sekcijos (A1, A2, B1) , B2): BSP 3/8" vidinis sriegis

    Serijinė jungtis (N): BSP 1/2" vidinis sriegis

    Slėgio diapazonas:

    Maksimalus tiekimo slėgis: 250 Bar

    Maksimalus grįžtamasis slėgis: 50 Bar

    Maksimalus sekcijos slėgis: 300 Baras

    Perpildymo vožtuvo atsidarymo slėgis didėja proporcingai didėjant srautui:

    180 barų esant 10 l/min.

    190 barų esant 20 l/min.

    200 barų esant 30 l/min.

    210 barų esant 40 l/min. Tiksliam slėgio matavimui skirtus rinkinius rasite skiltyje Manometrai – matavimo rinkiniai

    Prieš paleidžiant rekomenduojama pasitikrinti ir nustatyti atitinkamą slėgį

    Galimybė savarankiškai reguliuotis, pilnas apsisukimo keitimas 30 Bar.

    AGRICOLA rekomenduojami alyvos tipai:

    Skiediklis, aukštos kokybės alyva: LOTOS AGROL BOXOL 26

    Tirštesnė, kokybiškesnė alyva: FUCHS AGROFARM HYDRATEC HVI 46

    Rekomenduojamas alyvos temperatūros diapazonas:

    Leidžiama aplinkos temperatūra: -40 C iki +60 C

    Leidžiama alyvos temperatūra: -15 C iki +80 C

    Prekė detaliau
    15013120017398
    Nauja

    Charakteristikos

    Gamintojas
    Badestnost
    Detalės numeris
    A1.10.45.020.1
    Produkto svoris su vienetine pakuote
    2.5 kg