Itališkas hidraulinis vožtuvas rotaciniam plūgui vrap80 100
    • Itališkas hidraulinis vožtuvas rotaciniam plūgui vrap80 100
    • Itališkas hidraulinis vožtuvas rotaciniam plūgui vrap80 100
    • Itališkas hidraulinis vožtuvas rotaciniam plūgui vrap80 100
    • Itališkas hidraulinis vožtuvas rotaciniam plūgui vrap80 100
    • Itališkas hidraulinis vožtuvas rotaciniam plūgui vrap80 100

    Itališkas hidraulinis vožtuvas rotaciniam plūgui vrap80 100

    15013563698694
    477,85 €
    Su mokesčiais
    pristatymas per 5-9 darbo dienas
    Kiekis

    Aprašymas
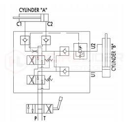
    HIDRAULINIS VOŽTUVAS APVERČIAMAM PĖLYMUI SU DU CILINDRAIS P: VRAP 80/100 SE 3/8' Gamyba:

    Originalus prekės ženklo Hydrolider gaminys, simbolis: VRAP 80/100 SE 3/8', 1.35.52.010.1

    Taikymas:

    Plačiai naudojamas sisteminėse hidraulinėse sistemose žemės ūkyje, sodininkystėje, miškininkystėje, statyboje ir plačiai suprantamoje pramonėje.

    Vožtuvas hidrauliniams cilindrams apverčiamuose plūguose, naudojamas visuose plūguose su dviem cilindrais, kurių vidinis cilindrų skersmuo abiejuose cilindruose yra nuo 80 -100 mm (išorinis skersmuo 90-120 mm diapazone).

    Veikimo principas:

    Ventuvas tinkamu momentu automatiškai perjungia alyvos tekėjimo kryptį, keičia pavarų judėjimą, taigi ir sukimosi judėjimą bei padėtį. plūgo rėmo. Įrengtas atbulinis vožtuvas, užtikrinantis, kad plūgas būtų pritvirtintas nustatytoje padėtyje.

    Prijungimas:

    Prijunkite C1 prie pavaros stūmoklio koto (A), o C2 - prie pavaros stūmoklio (A). U1 prijunkite prie pavaros stūmoklio strypo (B), o U2 - prie pavaros stūmoklio (B). P ir T prijunkite prie traktoriaus lizdų arba prie skirstytuvo sekcijos.

    Techniniai duomenys:

    Hidraulinių angų skaičius: 6

    Vidiniai sriegiai korpuse [BSP]: 3/8"

    Medžiaga: cinkuotas plienas

    Maksimalus leistinas slėgis: 400 barų

    Maksimalus perjungimo vožtuvo nustatymas: 230bar

    Gamyklinis perjungimo vožtuvo nustatymas: 150bar

    Svoris: 4,760 kg

    Temperatūros diapazonas ir alyvos tipas:

    Leidžiama aplinkos temperatūra: -40 C iki +60 C

    Leidžiama alyvos temperatūra: - 15 C iki +80 C

    Alyvos tipas: Mineralinės alyvos pagrindu pagaminta hidraulinė alyva

    Prekė detaliau
    15013563698694
    Nauja

    Charakteristikos

    Gamintojas
    Hydrolider
    Detalės numeris
    A1.35.52.010.1
    Produkto svoris su vienetine pakuote
    5 kg