• Tik internetu
Pašarinio vagono Sgaribod FM18157 ašmenys
  • Pašarinio vagono Sgaribod FM18157 ašmenys
  • Pašarinio vagono Sgaribod FM18157 ašmenys

Pašarinio vagono Sgaribod FM18157 ašmenys

15012578985949
32,69 €
Su mokesčiais
pristatymas per 5-9 darbo dienas
Kiekis

Aprašymas
Sgariboldi pašarų vagono peilis Parametrai

Dalies numeris: FM18157

Vienetas: gabalas

Gamintojas: Kramp

EAN: 8719493761207

Papildoma informacija: Peilio nugarėlėje yra volframo sluoksnis

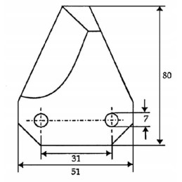
Skylės skersmuo: 7 mm

Ilgis: 80 mm

Atstumas tarp montavimo angų: 31 mm

OE nuorodos numeris: CL07007

Storis: 5 mm

Plotis: 51 mm

Atitinka mašinų/transporto priemonių markę - Scariboldi

- Logifeed

- RHM

Prekė detaliau
15012578985949
Nauja

Charakteristikos

Detalės numeris
FM18157
Originalus Detalės numeris
FM18157
Atsarginių dalių numeriai
FM18157

Specifinė nuoroda

MPN
FM18157