• Tik internetu
Sgariboldi pašarų vagono ašmenys
  • Sgariboldi pašarų vagono ašmenys
  • Sgariboldi pašarų vagono ašmenys
  • Sgariboldi pašarų vagono ašmenys

Sgariboldi pašarų vagono ašmenys

15013928157656
25,85 €
Su mokesčiais
pristatymas per 5-9 darbo dienas
Kiekis

Aprašymas
Sgariboldi pašarų vagono peilis

Dalies numeris: K.FM18157

EAN: 8719607035101

Vienetas: Art

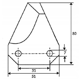
Ilgis: 80mm

Plotis: 51mm

Storis: 5mm

Atstumas tarp montavimo angų: 31 mm Skylės skersmuo: 7mm

OE nuorodos numeris: CL07007

Tinka mašinos/transporto priemonės markei:

Sgariboldi

RMH

Papildoma informacija: peilio nugarėlėje yra volframo sluoksnis

Prekė detaliau
15013928157656
Nauja

Charakteristikos

Detalės numeris
K. FM18157

Specifinė nuoroda

MPN
K. FM18157