• Tik internetu
Tiekimo vagono ašmenys 85x85x4 mm tinka Strautmann Seko
  • Tiekimo vagono ašmenys 85x85x4 mm tinka Strautmann Seko
  • Tiekimo vagono ašmenys 85x85x4 mm tinka Strautmann Seko

Tiekimo vagono ašmenys 85x85x4 mm tinka Strautmann Seko

15013927967902
19,32 €
Su mokesčiais
pristatymas per 5-9 darbo dienas
Kiekis

Aprašymas
Tiekimo vagono peilis 85x85x4 mm tinka Strautmann/Seko/Zago

Dalies numeris: K.FM19100

EAN:

Vienetas: Art

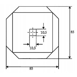
Ilgis: 85mm

Plotis: 85mm

Storis: 4mm

Skylės ilgis: 10,5 mm

Skylės plotis: 10,5 mm OE nuorodos numeris:

21803501

244790102

Tinka mašinos/transporto priemonės markei:

Seko

Zago

Prekė detaliau
15013927967902
Nauja

Charakteristikos

Detalės numeris
K. FM19100

Specifinė nuoroda

MPN
K. FM19100