• Tik internetu
Halogeninis prožektorių jungiklis 12v 24v
  • Halogeninis prožektorių jungiklis 12v 24v
  • Halogeninis prožektorių jungiklis 12v 24v
  • Halogeninis prožektorių jungiklis 12v 24v
  • Halogeninis prožektorių jungiklis 12v 24v
  • Halogeninis prožektorių jungiklis 12v 24v

Halogeninis prožektorių jungiklis 12v 24v

1507174199782
23,93 €
Su mokesčiais
pristatymas per 5-9 darbo dienas
Kiekis

Aprašymas
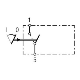
Įjungimo / įjungimo / išjungimo jungiklis 444 tipas (plokščias) darbo žibintams, halogeniniams žibintams, prožektoriams ir kt.

žemės ūkio technikai

statybinei technikai

kai kuriems automobiliams

12V 16A (standartinis)

24V 8A (pagal pageidavimą - be papildomo mokesčio - pasirinkite pastabose)

rakto mygtuko tipas:

Išjungtas į mūsų parduodamus rėmus , silikoniniai užvalkalai

galima naudoti ir kitus simbolius, plyteles, šviečiančius stiklus

tinka, be kita ko: for

Liebherr

Claas

Fendt

JCB

Manitou

Galima įvairių šių jungiklių versijų: dviejų pakopų, automatinio grąžinimo ir kt.

Prekė detaliau
1507174199782
Nauja

Charakteristikos

Gamintojas
other (ENG)
Detalės numeris
444005-896473
Mašinos tipas
Kranas, kranas, keltuvas, generatorius, ekskavatorius, ekskavatorinis krautuvas, trupintuvas, krautuvas, greideris, asfalto klotuvas, buldozeris, volas, savivartis, tankintuvas, kita
Mašinos prekės ženklas
Atlas, Bobcat, Bomag, Case, Caterpillar, Doosan, Fadroma, Hitachi, Hyundai, JCB, John Deere, Komatsu, Kubota, Liebherr, New Holland, O&K, Terex, Volvo, Wacker, Yanmar, Zeppelin, Inna

Specifinė nuoroda

MPN
444005-896473